Reisemottaker A-10
Telefunken El.-Gen.Aksjeselskap
- Paese
- Norvegia
- Produttore / Marca
- Telefunken El.-Gen.Aksjeselskap
- Anno
- 1949
- Categoria
- Radio (o sintonizzatore del dopoguerra WW2)
- Radiomuseum.org ID
- 125105
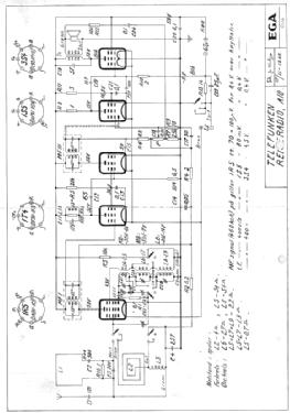
Clicca sulla miniatura dello schema per richiederlo come documento gratuito.
- Numero di tubi
- 5
- Principio generale
- Supereterodina (in generale)
- Gamme d'onda
- Onde medie (OM), lunghe (OL) e corte (OC).
- Tensioni di funzionamento
- Batterie (di accumulatori e/o a secco) / 67,5 & 2 x 1,5 Volt
- Altoparlante
- AP magnetodinamico (magnete permanente e bobina mobile) / Ø 3 inch = 7.6 cm
- Materiali
- Plastica (non bachelite o catalina)
- Radiomuseum.org
- Modello: Reisemottaker A-10 - Telefunken El.-Gen.
- Forma
- Apparecchio portatile > 20 cm (senza la necessità di una rete)
- Dimensioni (LxAxP)
- 210 x 185 x 65 mm / 8.3 x 7.3 x 2.6 inch
- Prezzo nel primo anno
- 322.00 NKr
- Bibliografia
- The Norwegian Historical Radio Society
- Autore
- Modello inviato da Ernst Rykkje. Utilizzare "Proponi modifica" per inviare ulteriori dati.
- Altri modelli
-
In questo link sono elencati 30 modelli, di cui 21 con immagini e 19 con schemi.
Elenco delle radio e altri apparecchi della Telefunken El.-Gen.Aksjeselskap