Sonata E U-2135-E
Telefunken Radiotécnica Ibérica; Getafe
- Paese
- Spagna
- Produttore / Marca
- Telefunken Radiotécnica Ibérica; Getafe
- Anno
- 1961
- Categoria
- Radio (o sintonizzatore del dopoguerra WW2)
- Radiomuseum.org ID
- 291230
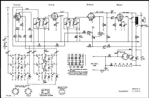
Clicca sulla miniatura dello schema per richiederlo come documento gratuito.
- Numero di tubi
- 5
- Principio generale
- Supereterodina (in generale)
- N. di circuiti accordati
- 6 Circuiti Mod. Amp. (AM)
- Gamme d'onda
- Onde medie (OM) e 2 gamme di onde corte (2 x OC).
- Tensioni di funzionamento
- Alimentazione universale (doppia: CC/CA) / 110-127 Volt
- Altoparlante
- AP magnetodinamico (magnete permanente e bobina mobile)
- Materiali
- Mobile in legno
- Radiomuseum.org
- Modello: Sonata E U-2135-E - Telefunken Radiotécnica
- Forma
- Soprammobile con pulsantiera/tastiera.
- Dimensioni (LxAxP)
- 360 x 230 x 165 mm / 14.2 x 9.1 x 6.5 inch
- Letteratura / Schemi (1)
- -- Schematic
- Autore
- Modello inviato da Miguel Bravo-Cos. Utilizzare "Proponi modifica" per inviare ulteriori dati.
- Altri modelli
-
In questo link sono elencati 377 modelli, di cui 300 con immagini e 267 con schemi.
Elenco delle radio e altri apparecchi della Telefunken Radiotécnica Ibérica; Getafe