- Pays
- Etats-Unis
- Fabricant / Marque
- Templetone Radio Mfg. Corp. (Temple); Mystic, New London, CT
- Année
- 1947 ??
- Catégorie
- Radio - ou tuner d'après la guerre 1939-45
- Radiomuseum.org ID
- 63302
-
- Brand: Temple
Cliquez sur la vignette du schéma pour le demander en tant que document gratuit.
- No. de tubes
- 6
- Principe général
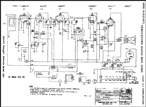
- Super hétérodyne (en général); FI/IF 455 kHz; 2 Etage(s) BF
- Circuits accordés
- 6 Circuits MA (AM)
- Gammes d'ondes
- PO uniquement
- Particularités
- Tourne disque / changeur (châssis)
- Tension / type courant
- Alimentation Courant Alternatif (CA) / 105 - 125 Volt
- Haut-parleur
- HP dynamique à aimant permanent + bobine mobile
- De Radiomuseum.org
- Modèle: P-13 - Templetone Radio Mfg. Corp.
- Source extérieure
- Ernst Erb
- Source du schéma
- Rider's Perpetual, Volume 15 = 1947 and before
- D'autres Modèles
-
Vous pourrez trouver sous ce lien 59 modèles d'appareils, 36 avec des images et 53 avec des schémas.
Tous les appareils de Templetone Radio Mfg. Corp. (Temple); Mystic, New London, CT