- País
- Estados Unidos
- Fabricante / Marca
- Temple Corporation
- Año
- 1931
- Categoría
- Radio - o Sintonizador pasado WW2
- Radiomuseum.org ID
- 171131
Haga clic en la miniatura esquemática para solicitarlo como documento gratuito.
- Numero de valvulas
- 7
- Principio principal
- Superheterodino con paso previo de RF; ZF/IF 175 kHz; Screengrid 1926-1935
- Número de circuitos sintonía
- 5 Circuíto(s) AM
- Gama de ondas
- OM (onda media) solamente
- Tensión de funcionamiento
- Red: Corriente alterna (CA, Inglés = AC)
- Altavoz
- Altavoz electrodinámico (bobina de campo)
- de Radiomuseum.org
- Modelo: 19 - Temple Corporation
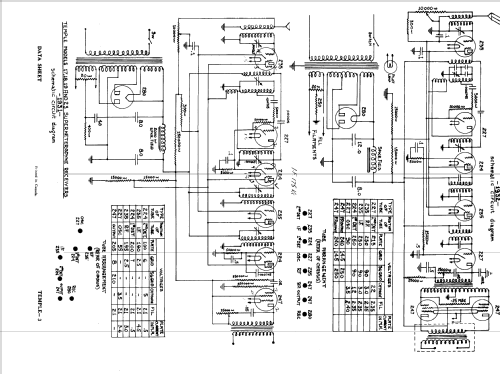
- Referencia esquema
- Radio College of Canada
- Mencionado en
- RCC Temple Sheet 3
- Autor
- Modelo creado por Hans-Joachim Korn † 16.11.15. Ver en "Modificar Ficha" los participantes posteriores.
- Otros modelos
-
Donde encontrará 35 modelos, 10 con imágenes y 20 con esquemas.
Ir al listado general de Temple Corporation