Diode Millivoltmeter BM495
Tesla; Praha, Bratislava etc.
- Country
- Czechoslovakia
- Manufacturer / Brand
- Tesla; Praha, Bratislava etc.
- Year
- 1975 ??
- Category
- Service- or Lab Equipment
- Radiomuseum.org ID
- 165793
-
- Brand: Supraphon
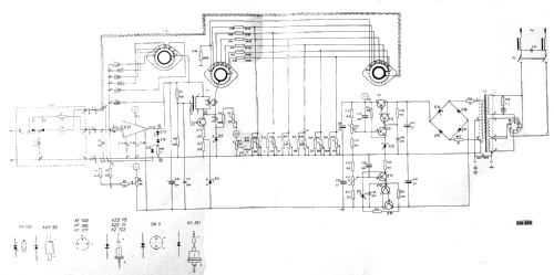
Click on the schematic thumbnail to request the schematic as a free document.
- Number of Transistors
- 7
- Semiconductors
- Wave bands
- - without
- Power type and voltage
- Alternating Current supply (AC) / 120/220 Volt
- Loudspeaker
- - - No sound reproduction output.
- Material
- Metal case
- from Radiomuseum.org
- Model: Diode Millivoltmeter BM495 - Tesla; Praha, Bratislava etc.
- Shape
- Tablemodel, with any shape - general.
- Dimensions (WHD)
- 340 x 220 x 170 mm / 13.4 x 8.7 x 6.7 inch
- Notes
- Voltage sensitivity: 500 mikroV - 10 V. Frequency range: 20 kHz - 500 MHz.
- Net weight (2.2 lb = 1 kg)
- 4.2 kg / 9 lb 4 oz (9.251 lb)
- Source of data
- -- Original-techn. papers.
- Author
- Model page created by Gabriel Toth. See "Data change" for further contributors.
- Other Models
-
Here you find 1877 models, 1205 with images and 689 with schematics for wireless sets etc. In French: TSF for Télégraphie sans fil.
All listed radios etc. from Tesla; Praha, Bratislava etc.