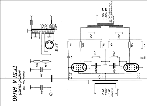
Endstufe HU-40
Tesla; Praha, Bratislava etc.
- País
- Cecoslovacchia
- Fabricante / Marca
- Tesla; Praha, Bratislava etc.
- Año
- 1950 ??
- Categoría
- Amplificador de audio o mezclador
- Radiomuseum.org ID
- 136492
-
- Brand: Supraphon
Haga clic en la miniatura esquemática para solicitarlo como documento gratuito.
- Numero de valvulas
- 3
- Principio principal
- Amplificador de Audio
- Gama de ondas
- - no hay
- Tensión de funcionamiento
- Red: Corriente alterna (CA, Inglés = AC) / 110; 125; 150; 220; 240 Volt
- Altavoz
- - Este modelo usa altavoz exterior (1 o más).
- Potencia de salida
- 20 W (unknown quality)
- Material
- Metálico
- de Radiomuseum.org
- Modelo: Endstufe HU-40 - Tesla; Praha, Bratislava etc.
- Forma
- Chasis (tambien de autoradio)
- Anotaciones
- Endstufe; Ausgang 63 V/200 Ω.
- Procedencia de los datos
- -- Original-techn. papers.
- Autor
- Modelo creado por Wolfgang Lill. Ver en "Modificar Ficha" los participantes posteriores.
- Otros modelos
-
Donde encontrará 1877 modelos, 1205 con imágenes y 689 con esquemas.
Ir al listado general de Tesla; Praha, Bratislava etc.