LC-metr BM366
Tesla; Praha, Bratislava etc.
- Country
- Czechoslovakia
- Manufacturer / Brand
- Tesla; Praha, Bratislava etc.
- Year
- 1958 ??
- Category
- Service- or Lab Equipment
- Radiomuseum.org ID
- 133186
-
- Brand: Supraphon
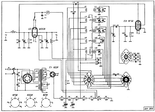
Click on the schematic thumbnail to request the schematic as a free document.
- Number of Tubes
- 3
- Wave bands
- - without
- Power type and voltage
- Alternating Current supply (AC) / 120; 220 Volt
- Loudspeaker
- - - No sound reproduction output.
- Material
- Metal case
- from Radiomuseum.org
- Model: LC-metr BM366 - Tesla; Praha, Bratislava etc.
- Shape
- Tablemodel, with any shape - general.
- Dimensions (WHD)
- 260 x 190 x 145 mm / 10.2 x 7.5 x 5.7 inch
- Notes
- Tesla BM366, Kapazitäts- und Induktivitätsmessgerät.
Kapazität: 0...0,1 µF in 4 Bereichen, 1,5 % bei Frequenz 800 Hz;
Induktivität: 0,02 µH ...10 mH in 5 Bereichen, 2,5 % bei Frequenz 800 Hz.
- Net weight (2.2 lb = 1 kg)
- 5.2 kg / 11 lb 7.3 oz (11.454 lb)
- Source of data
- -- Collector info (Sammler)
- Mentioned in
- -- Original prospect or advert
- Author
- Model page created by Wolfgang Lill. See "Data change" for further contributors.
- Other Models
-
Here you find 1877 models, 1204 with images and 689 with schematics for wireless sets etc. In French: TSF for Télégraphie sans fil.
All listed radios etc. from Tesla; Praha, Bratislava etc.
Collections
The model LC-metr is part of the collections of the following members.