Amplificador Estereofónico A-2001
Thomson Española S.A.; Thomson General Eléctrica; Cedosa; Electa; Setelsa; Madrid
- Country
- Spain
- Manufacturer / Brand
- Thomson Española S.A.; Thomson General Eléctrica; Cedosa; Electa; Setelsa; Madrid
- Year
- 1980 ??
- Category
- Audio Amplifier or -mixer
- Radiomuseum.org ID
- 318007
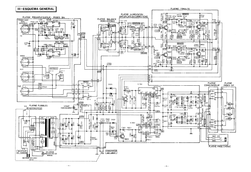
Click on the schematic thumbnail to request the schematic as a free document.
- Number of Transistors
- 6
- Semiconductors
- 2SC1570 2SC1570 2SC945 2SC1570 2SC1570 2SC945 NJM4558 STK459 1S2473 1N60 WZ130 1N4002 DS442
- Main principle
- Audio-Amplification
- Wave bands
- - without
- Power type and voltage
- Alternating Current supply (AC) / 110; 220 Volt
- Loudspeaker
- - This model requires external speaker(s).
- Power out
- 40 W (undistorted)
- Material
- Metal case
- from Radiomuseum.org
- Model: Amplificador Estereofónico A-2001 - Thomson Española S.A.; Thomson
- Shape
- Book-shelf unit.
- Dimensions (WHD)
- 440 x 146 x 315 mm / 17.3 x 5.7 x 12.4 inch
- Notes
-
Thomson Española S.A. Preamplificador Amplificador Estereofónico A-2001
Véase también:
- Nordmende PA-1050 979.150H
- Net weight (2.2 lb = 1 kg)
- 6.5 kg / 14 lb 5.1 oz (14.317 lb)
- Literature/Schematics (1)
- -- Original-techn. papers.
- Author
- Model page created by Miguel Bravo-Cos. See "Data change" for further contributors.
- Other Models
-
Here you find 183 models, 87 with images and 108 with schematics for wireless sets etc. In French: TSF for Télégraphie sans fil.
All listed radios etc. from Thomson Española S.A.; Thomson General Eléctrica; Cedosa; Electa; Setelsa; Madrid