Amplificador Estereofónico A-4001
Thomson Española S.A.; Thomson General Eléctrica; Cedosa; Electa; Setelsa; Madrid
- Paese
- Spagna
- Produttore / Marca
- Thomson Española S.A.; Thomson General Eléctrica; Cedosa; Electa; Setelsa; Madrid
- Anno
- 1982 ??
- Categoria
- Amplificatore audio o mixer audio
- Radiomuseum.org ID
- 318009
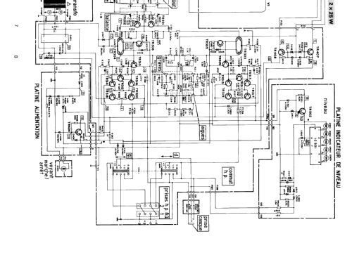
Clicca sulla miniatura dello schema per richiederlo come documento gratuito.
- Numero di transistor
- 30
- Semiconduttori
- 2SA992 2SA798 2SC1845 2SB647 2SC945 2SD667 2SC1986 2SA771 2SD667 2SA733 AN6875 HA1457 ML120 1S2473 S4VBxx SR535D RD7.5EB 20A90 RD6.8E RD15EB 10D-1
- Principio generale
- Amplificatore audio
- Gamme d'onda
- - senza
- Tensioni di funzionamento
- Alimentazione a corrente alternata (CA) / 220 Volt
- Altoparlante
- - Questo apparecchio richiede altoparlante/i esterno/i.
- Potenza d'uscita
- 80 W (indistorta)
- Materiali
- Mobile di metallo
- Radiomuseum.org
- Modello: Amplificador Estereofónico A-4001 - Thomson Española S.A.; Thomson
- Forma
- Apparecchio per ripiani a scaffale (come i componibili HiFi).
- Dimensioni (LxAxP)
- 440 x 100 x 210 mm / 17.3 x 3.9 x 8.3 inch
- Annotazioni
-
Thomson Española S.A. Preamplificador Amplificador Estereofónico A-4001
Listado un único semiconductor por tipo
- Peso netto
- 5.4 kg / 11 lb 14.3 oz (11.894 lb)
- Letteratura / Schemi (1)
- -- Original-techn. papers.
- Autore
- Modello inviato da Miguel Bravo-Cos. Utilizzare "Proponi modifica" per inviare ulteriori dati.
- Altri modelli
-
In questo link sono elencati 183 modelli, di cui 87 con immagini e 108 con schemi.
Elenco delle radio e altri apparecchi della Thomson Española S.A.; Thomson General Eléctrica; Cedosa; Electa; Setelsa; Madrid