Amplificador Estereofónico A-5003
Thomson Española S.A.; Thomson General Eléctrica; Cedosa; Electa; Setelsa; Madrid
- Country
- Spain
- Manufacturer / Brand
- Thomson Española S.A.; Thomson General Eléctrica; Cedosa; Electa; Setelsa; Madrid
- Year
- 1980
- Category
- Audio Amplifier or -mixer
- Radiomuseum.org ID
- 318080
Click on the schematic thumbnail to request the schematic as a free document.
- Number of Transistors
- 23
- Semiconductors
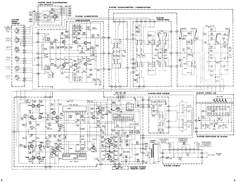
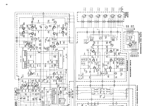
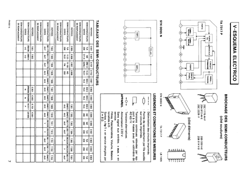
- 2SA872 2SC1775 2SC2229 2SD330 2SB514 LB1405 TA7317 STK0055 TLR206 WZ071 ERB12-02 1S2076 30D2 WZ260 1S188 WZ050
- Main principle
- Audio-Amplification
- Wave bands
- - without
- Power type and voltage
- Alternating Current supply (AC) / 220 Volt
- Loudspeaker
- - This model requires external speaker(s).
- Power out
- 120 W (undistorted)
- Material
- Metal case
- from Radiomuseum.org
- Model: Amplificador Estereofónico A-5003 - Thomson Española S.A.; Thomson
- Shape
- Book-shelf unit.
- Dimensions (WHD)
- 420 x 108 x 235 mm / 16.5 x 4.3 x 9.3 inch
- Notes
-
Thomson Española S.A. Preamplificador Amplificador Estereofónico A-5003
Véase también:
- Nordmende PA-1400
Listado un único semiconductor por tipo
Posiblemente el manual esté equivocado con la medida frontal que sería de 440 mm.
- Net weight (2.2 lb = 1 kg)
- 7.7 kg / 16 lb 15.4 oz (16.96 lb)
- Literature/Schematics (1)
- -- Original-techn. papers.
- Author
- Model page created by Miguel Bravo-Cos. See "Data change" for further contributors.
- Other Models
-
Here you find 183 models, 87 with images and 108 with schematics for wireless sets etc. In French: TSF for Télégraphie sans fil.
All listed radios etc. from Thomson Española S.A.; Thomson General Eléctrica; Cedosa; Electa; Setelsa; Madrid