Cassette Deck Estereofónico CD-302
Thomson Española S.A.; Thomson General Eléctrica; Cedosa; Electa; Setelsa; Madrid
- Pays
- Espagne
- Fabricant / Marque
- Thomson Española S.A.; Thomson General Eléctrica; Cedosa; Electa; Setelsa; Madrid
- Année
- 1980 ?
- Catégorie
- Enrégistreur et/ou reproducteur son/video
- Radiomuseum.org ID
- 317778
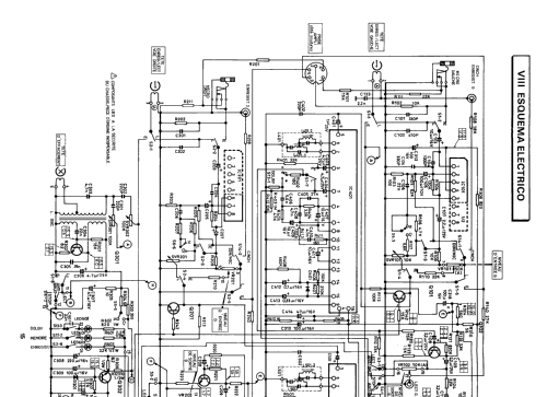
Cliquez sur la vignette du schéma pour le demander en tant que document gratuit.
- No. de transistors
- 12
- Principe général
- Amplification audio
- Gammes d'ondes
- - sans
- Particularités
- Magnétophone à cassettes
- Tension / type courant
- Alimentation Courant Alternatif (CA) / 220 Volt
- Haut-parleur
- - Pour casque ou amplificateur BF
- Matière
- Boitier métallique
- De Radiomuseum.org
- Modèle: Cassette Deck Estereofónico CD-302 - Thomson Española S.A.; Thomson
- Forme
- Appareil d'étagère
- Dimensions (LHP)
- 440 x 136 x 290 mm / 17.3 x 5.4 x 11.4 inch
- Remarques
-
Thomson Española S.A. Cassette Deck Estereofónico CD-302
Para cintas de hierro, cromo y ferro-cromo.
Listado un único semiconductor por tipo.
Véase Nordmende HiFi Cassette Deck CD-1200
- Poids net
- 5.7 kg / 12 lb 8.9 oz (12.555 lb)
- Schémathèque (1)
- -- Original-techn. papers.
- Auteur
- Modèle crée par Miguel Bravo-Cos. Voir les propositions de modification pour les contributeurs supplémentaires.
- D'autres Modèles
-
Vous pourrez trouver sous ce lien 183 modèles d'appareils, 87 avec des images et 108 avec des schémas.
Tous les appareils de Thomson Española S.A.; Thomson General Eléctrica; Cedosa; Electa; Setelsa; Madrid