CRK-821 (CV-2200 C-2500)
Thomson Española S.A.; Thomson General Eléctrica; Cedosa; Electa; Setelsa; Madrid
- Pays
- Espagne
- Fabricant / Marque
- Thomson Española S.A.; Thomson General Eléctrica; Cedosa; Electa; Setelsa; Madrid
- Année
- 1980 ??
- Catégorie
- Radio - ou tuner d'après la guerre 1939-45
- Radiomuseum.org ID
- 316363
Cliquez sur la vignette du schéma pour le demander en tant que document gratuit.
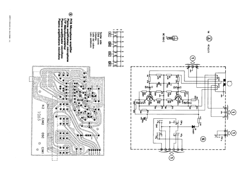
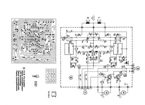
- No. de transistors
- 12
- Semi-conducteurs
- BF414 BF506 BF235 BF506 BC550 BC337 BC550 BC550 BC337 BC550 BC550 BC550 TDA1220 TCA4500 TA7137 TDA2009 TDA1041 U267B LB1403 L7818CV TDA2320 BA121 BA223 BA244 1N4001 1N4148
- Principe général
- Super hétérodyne (en général); FI/IF 460/10700 kHz
- Gammes d'ondes
- PO, GO et FM
- Particularités
- Tourne disque et magnétophone
- Tension / type courant
- Alimentation Courant Alternatif (CA) / 220 Volt
- Haut-parleur
- - Ce modèle nécessite des HP externes
- Puissance de sortie
- 30 W (sans distorsion)
- Matière
- Plastique moderne (pas de bakélite, ni de catalin)
- De Radiomuseum.org
- Modèle: CRK-821 - Thomson Española S.A.; Thomson
- Forme
- Modèle de table profil bas (grand modèle).
- Dimensions (LHP)
- 440 x 226 x 401.5 mm / 17.3 x 8.9 x 15.8 inch
- Remarques
-
Thomson Española S.A. Cadena Compacta Estéreo CRK-821 (CV-2200 C-2500)
Tocadiscos con cápsula cerámica y lector doble de cassettes.
- Schémathèque (1)
- -- Original-techn. papers.
- Auteur
- Modèle crée par Miguel Bravo-Cos. Voir les propositions de modification pour les contributeurs supplémentaires.
- D'autres Modèles
-
Vous pourrez trouver sous ce lien 183 modèles d'appareils, 87 avec des images et 108 avec des schémas.
Tous les appareils de Thomson Española S.A.; Thomson General Eléctrica; Cedosa; Electa; Setelsa; Madrid