Amplificador Estereofónico PA-5005
Thomson Española S.A.; Thomson General Eléctrica; Cedosa; Electa; Setelsa; Madrid
- Pays
- Espagne
- Fabricant / Marque
- Thomson Española S.A.; Thomson General Eléctrica; Cedosa; Electa; Setelsa; Madrid
- Année
- 1984 ??
- Catégorie
- Amplificateur BF ou mélangeur BF
- Radiomuseum.org ID
- 317415
Cliquez sur la vignette du schéma pour le demander en tant que document gratuit.
- No. de transistors
- 11
- Principe général
- Amplification audio
- Gammes d'ondes
- - sans
- Particularités
- Equipement HIFI
- Tension / type courant
- Alimentation Courant Alternatif (CA) / 220 Volt
- Haut-parleur
- - Pour casque ou amplificateur BF
- Puissance de sortie
- 110 W (sans distorsion)
- De Radiomuseum.org
- Modèle: Amplificador Estereofónico PA-5005 - Thomson Española S.A.; Thomson
- Forme
- Appareil d'étagère
- Dimensions (LHP)
- 440 x 93 x 235 mm / 17.3 x 3.7 x 9.3 inch
- Remarques
-
Thomson Española S.A. Preamplificador Amplificador Estereofónico PA-5005
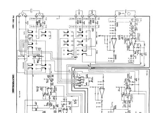
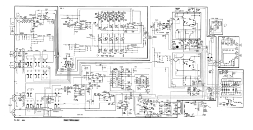
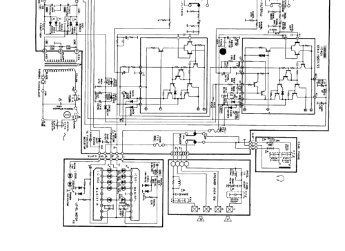
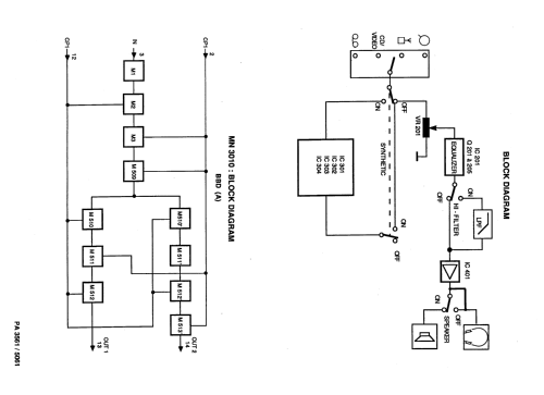
Semiconductores listados una vez por tipo
- Poids net
- 4.8 kg / 10 lb 9.2 oz (10.573 lb)
- Schémathèque (1)
- -- Original-techn. papers.
- Auteur
- Modèle crée par Miguel Bravo-Cos. Voir les propositions de modification pour les contributeurs supplémentaires.
- D'autres Modèles
-
Vous pourrez trouver sous ce lien 183 modèles d'appareils, 87 avec des images et 108 avec des schémas.
Tous les appareils de Thomson Española S.A.; Thomson General Eléctrica; Cedosa; Electa; Setelsa; Madrid