621-302 Ch= 632-36
Trav-Ler Karenola Radio & Television Corp.(Travler); Chicago
- Pays
- Etats-Unis
- Fabricant / Marque
- Trav-Ler Karenola Radio & Television Corp.(Travler); Chicago
- Année
- 1957 ?
- Catégorie
- Récepteur de télévision ou moniteur
- Radiomuseum.org ID
- 314799
Cliquez sur la vignette du schéma pour le demander en tant que document gratuit.
- No. de tubes
- 16
- Lampes / Tubes
- 2BN4 5CG8 3AU6 6AW8A 6AW8A 6AW8A 3AV6 3DT6 12L6GT 12W6GT 6SN7GTB 6SN7GTB 25CD6GA 12AX4GTA 1B3GT 21AUP4A
- Principe général
- Super hétérodyne avec étage HF
- Gammes d'ondes
- Bandes en notes
- Tension / type courant
- Alimentation Courant Alternatif (CA) / 60 Hz, 117V = 110 -120 Volt
- Haut-parleur
- 2 HP
- Matière
- Boitier en bois
- De Radiomuseum.org
- Modèle: 621-302 Ch= 632-36 - Trav-Ler Karenola Radio &
- Forme
- Modèle de table générique
- Remarques
-
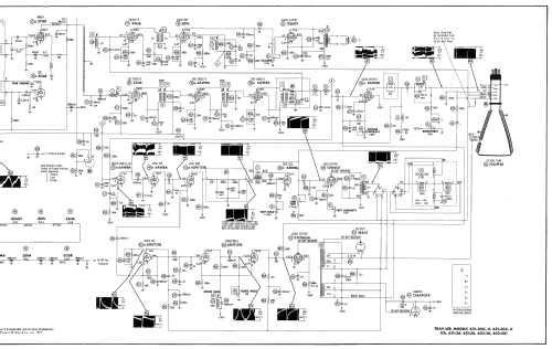
Trav-Ler model 621-302 is a 21" b/w TV with US standard VHF tuner channels 2 thru 13. Equipped with chassis 632-36, VHF tuner TA-32 and picture tube 21AUP4A.
- Schémathèque (1)
- Photofact Folder, Howard W. SAMS (Set 372 Folder 14 dated 9-57)
- Auteur
- Modèle crée par Dirk Taekels. Voir les propositions de modification pour les contributeurs supplémentaires.
- D'autres Modèles
-
Vous pourrez trouver sous ce lien 620 modèles d'appareils, 284 avec des images et 520 avec des schémas.
Tous les appareils de Trav-Ler Karenola Radio & Television Corp.(Travler); Chicago