- Pays
- Etats-Unis
- Fabricant / Marque
- Trav-Ler Karenola Radio & Television Corp.(Travler); Chicago
- Année
- 1959 ?
- Catégorie
- Enrégistreur et/ou reproducteur son/video
- Radiomuseum.org ID
- 158544
Cliquez sur la vignette du schéma pour le demander en tant que document gratuit.
- No. de tubes
- 4
- Principe général
- Amplification audio
- Gammes d'ondes
- - sans
- Particularités
- Electrophone avec HP
- Tension / type courant
- Alimentation Courant Alternatif (CA) / 110 - 125 Volt
- Haut-parleur
- 4 HP
- Matière
- Boitier en bois
- De Radiomuseum.org
- Modèle: 9064A - Trav-Ler Karenola Radio &
- Forme
- Console de forme générique
- Remarques
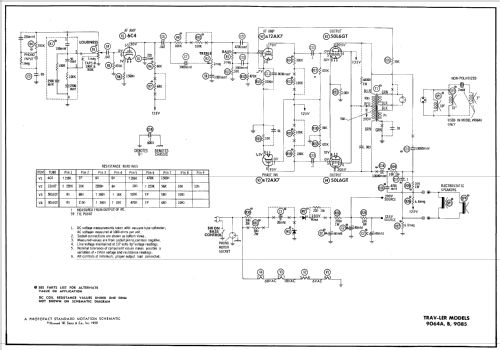
- The Trav-Ler Radio Model 9064A is an AC operated 4 Tube Phono Amplifier with 4 Speed Automatic Record Changer.
- Schémathèque (1)
- Photofact Folder, Howard W. SAMS (Date 3-59, Set 434, Folder 16)
- Auteur
- Modèle crée par Egon Penker. Voir les propositions de modification pour les contributeurs supplémentaires.
- D'autres Modèles
-
Vous pourrez trouver sous ce lien 620 modèles d'appareils, 284 avec des images et 520 avec des schémas.
Tous les appareils de Trav-Ler Karenola Radio & Television Corp.(Travler); Chicago