AC-2746 Studebaker
United Motors Service (Delco)
- País
- Estados Unidos
- Fabricante / Marca
- United Motors Service (Delco)
- Año
- 1955 ?
- Categoría
- Autoradio
- Radiomuseum.org ID
- 82136
-
- alternative name: Delco Radio Corp. (Appliance) || Delco-Remy Division, General Motors Corp. || United Motors Service Delco General Motors
- Brand: Chieftain || Delco
Haga clic en la miniatura esquemática para solicitarlo como documento gratuito.
- Numero de valvulas
- 6
- Principio principal
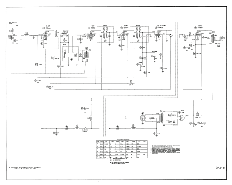
- Superheterodino con paso previo de RF; ZF/IF 262 kHz; 2 Etapas de AF
- Número de circuitos sintonía
- 7 Circuíto(s) AM
- Gama de ondas
- OM (onda media) solamente
- Tensión de funcionamiento
- Bateria recargable / 12 Volt
- Altavoz
- Altavoz dinámico (de imán permanente)
- Material
- Metálico
- de Radiomuseum.org
- Modelo: AC-2746 Studebaker - United Motors Service Delco
- Forma
- Chasis (tambien de autoradio)
- Anotaciones
-
Vibrator for +B
Elliptical speaker 6x9 inch.
- Referencia esquema
- Beitman Radio Diagrams Vol. 16, 1956
- Documentación / Esquemas (1)
- Photofact Folder, Howard W. SAMS (Set 345 Folder 16 date 1 - 57)
- Autor
- Modelo creado por Egon Penker. Ver en "Modificar Ficha" los participantes posteriores.
- Otros modelos
-
Donde encontrará 585 modelos, 343 con imágenes y 548 con esquemas.
Ir al listado general de United Motors Service (Delco)