maya-vox I (1)
Unknown - CUSTOM BUILT: Japan
- Country
- Japan
- Manufacturer / Brand
- Unknown - CUSTOM BUILT: Japan
- Year
- 1963 ?
- Category
- Broadcast Receiver - or past WW2 Tuner
- Radiomuseum.org ID
- 138019
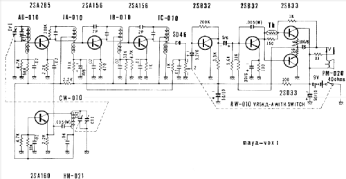
Click on the schematic thumbnail to request the schematic as a free document.
- Number of Transistors
- 8
- Main principle
- Superheterodyne (common); ZF/IF 455 kHz; 3 AF stage(s)
- Tuned circuits
- 5 AM circuit(s)
- Wave bands
- Broadcast only (MW).
- Power type and voltage
- Dry Batteries / 9 Volt
- Loudspeaker
- Permanent Magnet Dynamic (PDyn) Loudspeaker (moving coil) / Ø 5.5 cm = 2.2 inch
- Material
- Plastics (no bakelite or catalin)
- from Radiomuseum.org
- Model: maya-vox I - Unknown - CUSTOM BUILT: Japan
- Shape
- Very small Portable or Pocket-Set (Handheld) < 8 inch.
- Dimensions (WHD)
- 67 x 112 x 30 mm / 2.6 x 4.4 x 1.2 inch
- Notes
- maya-vox 1 has separate mixer and oscillator stages.
- Net weight (2.2 lb = 1 kg)
- 0.2 kg / 0 lb 7 oz (0.441 lb)
- Source of data
- - - Data from my own collection
- Mentioned in
- -- Schematic
- Author
- Model page created by Bernhard Nagel. See "Data change" for further contributors.
- Other Models
-
Here you find 1153 models, 1017 with images and 98 with schematics for wireless sets etc. In French: TSF for Télégraphie sans fil.
All listed radios etc. from Unknown - CUSTOM BUILT: Japan
Collections
The model maya-vox is part of the collections of the following members.