Univolt Digital Multimeter DT-860
Unknown - CUSTOM BUILT: Japan
- Paese
- Giappone
- Produttore / Marca
- Unknown - CUSTOM BUILT: Japan
- Anno
- 1983 ?
- Categoria
- Strumento da laboratorio
- Radiomuseum.org ID
- 346548
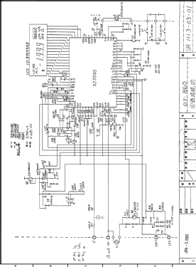
Clicca sulla miniatura dello schema per richiederlo come documento gratuito.
- Numero di transistor
- 2
- Gamme d'onda
- - senza
- Tensioni di funzionamento
- Batterie a secco / 2 x ? Volt
- Altoparlante
- - - Nessuna uscita audio.
- Materiali
- Plastica (non bachelite o catalina)
- Radiomuseum.org
- Modello: Univolt Digital Multimeter DT-860 - Unknown - CUSTOM BUILT: Japan
- Forma
- Tascabile (portatile molto piccola), < 20 cm
- Annotazioni
-
Univolt, Digital Multimeter DT-860
- Letteratura / Schemi (1)
- -- Schematic
- Autore
- Modello inviato da Miguel Bravo-Cos. Utilizzare "Proponi modifica" per inviare ulteriori dati.
- Altri modelli
-
In questo link sono elencati 1154 modelli, di cui 1018 con immagini e 98 con schemi.
Elenco delle radio e altri apparecchi della Unknown - CUSTOM BUILT: Japan