Minivizor TT-695OCU
Videoton; Székesfehérvár
- País
- Ungheria
- Fabricante / Marca
- Videoton; Székesfehérvár
- Año
- 1971–1973
- Categoría
- Televisión (TV) o monitor
- Radiomuseum.org ID
- 162963
-
- Brand: VTTV
Haga clic en la miniatura esquemática para solicitarlo como documento gratuito.
- Numero de valvulas
- 2
- Numero de transistores
- 29
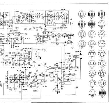
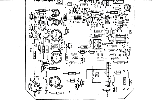
- Semiconductores
- AF109 AF106 AF106 AF139 AF139 OC26 AC126 AC126 AF201 AF200 AF201 AF202 AC126 AC126 AC187 AC188 BFY33 OC44 OC44 AC126 AC187 AC188 AC127 OC1044 BFY33 OC1044 AC128 AU110 BF178
- Principio principal
- Superheterodino en general; ZF/IF 38900 kHz
- Gama de ondas
- VHF/UHF (see notes for details)
- Tensión de funcionamiento
- Red / Baterías o pilas / 220/ 12 Volt
- Altavoz
- Altavoz dinámico (de imán permanente) / Ø 10 cm = 3.9 inch
- Potencia de salida
- 0.4 W (unknown quality)
- Material
- Plástico moderno (Nunca bakelita o catalina)
- de Radiomuseum.org
- Modelo: Minivizor TT-695OCU - Videoton; Székesfehérvár
- Forma
- Portátil > 20 cm (sin la necesidad de una red)
- Ancho, altura, profundidad
- 395 x 260 x 286 mm / 15.6 x 10.2 x 11.3 inch
- Anotaciones
-
Der Minivizor TT695 OCU ist ein Portable zum Empfang von VHF und UHF nach OIRT und CCIR.
- Peso neto
- 8 kg / 17 lb 9.9 oz (17.621 lb)
- Precio durante el primer año
- 6,100.00 HUF
- Procedencia de los datos
- Radio es Televizio Vevö keszülekek 1970-71
- Autor
- Modelo creado por Peter Bekei. Ver en "Modificar Ficha" los participantes posteriores.
- Otros modelos
-
Donde encontrará 702 modelos, 654 con imágenes y 196 con esquemas.
Ir al listado general de Videoton; Székesfehérvár