Melodyn R4901
Videoton; Székesfehérvár
- Land
- Ungarn
- Hersteller / Marke
- Videoton; Székesfehérvár
- Jahr
- 1968–1971
- Kategorie
- Rundfunkempfänger (Radio - oder Tuner nach WW2)
- Radiomuseum.org ID
- 97397
-
- Marke: VTTV
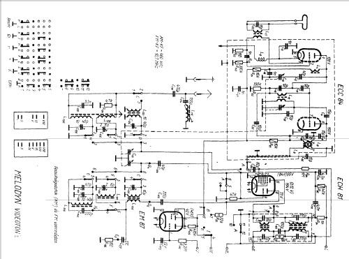
Klicken Sie auf den Schaltplanausschnitt, um diesen kostenlos als Dokument anzufordern.
- Anzahl Röhren
- 5
- Hauptprinzip
- Superhet allgemein; ZF/IF 460 kHz
- Anzahl Kreise
- 7 Kreis(e) AM 9 Kreis(e) FM
- Wellenbereiche
- Langwelle, Mittelwelle, Kurzwelle und UKW.
- Betriebsart / Volt
- Wechselstromspeisung / 110; 127; 150; 220; 240 Volt
- Lautsprecher
- Dynamischer (permanent) Ovallautsprecher
- Belastbarkeit / Leistung
- 2.2 W (Qualität unbekannt)
- Material
- Gerät mit Holzgehäuse
- von Radiomuseum.org
- Modell: Melodyn R4901 - Videoton; Székesfehérvár
- Form
- Tischgerät-gross, - Querformat (breiter als hoch oder quadratisch).
- Abmessungen (BHT)
- 600 x 170 x 170 mm / 23.6 x 6.7 x 6.7 inch
- Bemerkung
- Gerät elektrisch wie Modell R4900 aber nur 1 Lautsprecher und modernes Gehäuse.
- Nettogewicht
- 8 kg / 17 lb 9.9 oz (17.621 lb)
- Literaturnachweis
- Radio es Televizio Vevö keszülekek 1967-69
- Autor
- Modellseite von Karl Günther Goldsteiner angelegt. Siehe bei "Änderungsvorschlag" für weitere Mitarbeit.
- Weitere Modelle
-
Hier finden Sie 702 Modelle, davon 654 mit Bildern und 196 mit Schaltbildern.
Alle gelisteten Radios usw. von Videoton; Székesfehérvár
Sammlungen
Das Modell Melodyn befindet sich in den Sammlungen folgender Mitglieder.