RC-201A
Viewtone Company; N.Y. N.Y
- Country
- United States of America (USA)
- Manufacturer / Brand
- Viewtone Company; N.Y. N.Y
- Year
- 1946/1947
- Category
- Broadcast Receiver - or past WW2 Tuner
- Radiomuseum.org ID
- 151603
Click on the schematic thumbnail to request the schematic as a free document.
- Number of Tubes
- 5
- Main principle
- Superheterodyne (common); ZF/IF 455 kHz; 2 AF stage(s)
- Tuned circuits
- 6 AM circuit(s)
- Wave bands
- Broadcast only (MW).
- Power type and voltage
- Alternating Current supply (AC) / 117 Volt
- Loudspeaker
- Permanent Magnet Dynamic (PDyn) Loudspeaker (moving coil)
- Material
- Leather / canvas / plastic - over other material
- from Radiomuseum.org
- Model: RC-201A - Viewtone Company; N.Y. N.Y
- Shape
- Tablemodel, Box - most often with Lid (NOT slant panel).
- Notes
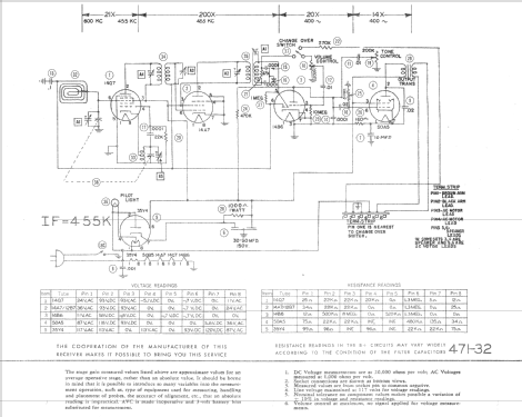
- The Viewtone models RC-201A and RRC-201 are AC Operated Combination Phono-Superheterodyne Radios with Self Contained Loop Antenna.
- Literature/Schematics (1)
- Photofact Folder, Howard W. SAMS (Date: Jan 1947, Set 11, Folder 471-32)
- Author
- Model page created by Ernst Erb. See "Data change" for further contributors.
- Other Models
-
Here you find 8 models, 4 with images and 5 with schematics for wireless sets etc. In French: TSF for Télégraphie sans fil.
All listed radios etc. from Viewtone Company; N.Y. N.Y