- Country
- United States of America (USA)
- Manufacturer / Brand
- V-M (VM) (Voice of Music) Corporation; Benton Harbor (MI)
- Year
- 1953 ?
- Category
- Sound/Video Recorder and/or Player
- Radiomuseum.org ID
- 224694
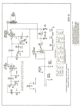
Click on the schematic thumbnail to request the schematic as a free document.
- Number of Tubes
- 3
- Main principle
- Audio-Amplification
- Wave bands
- - without
- Details
- Changer (Record changer)
- Power type and voltage
- Alternating Current supply (AC) / 60 Hz, 117V = 110 -120 Volt
- Loudspeaker
- Permanent Magnet Dynamic (PDyn) Loudspeaker (moving coil) - elliptical
- Power out
- 1.5 W (undistorted)
- Material
- Metal case
- from Radiomuseum.org
- Model: 972 - V-M VM Voice of Music
- Shape
- Tablemodel, with any shape - general.
- Dimensions (WHD)
- 350 x 140 x 350 mm / 13.8 x 5.5 x 13.8 inch
- Notes
-
V-M model 972 is an AC operated audio amplifier with 3 speed automatic record changer.
- Net weight (2.2 lb = 1 kg)
- 6.4 kg / 14 lb 1.6 oz (14.097 lb)
- Literature/Schematics (1)
- Photofact Folder, Howard W. SAMS (Set 203, folder 15, dated 5-53)
- Author
- Model page created by Adriano Scarpa. See "Data change" for further contributors.
- Other Models
-
Here you find 188 models, 153 with images and 133 with schematics for wireless sets etc. In French: TSF for Télégraphie sans fil.
All listed radios etc. from V-M (VM) (Voice of Music) Corporation; Benton Harbor (MI)
Collections
The model is part of the collections of the following members.