Neutrodyne Type T
Ware Mfg. Corporation (Ware Radio Corp.); New York NY
- Produttore / Marca
- Ware Mfg. Corporation (Ware Radio Corp.); New York NY
- Anno
- 1924
- Categoria
- Radio (o sintonizzatore del dopoguerra WW2)
- Radiomuseum.org ID
- 64825
-
- Brand: Music Master
Clicca sulla miniatura dello schema per richiederlo come documento gratuito.
- Numero di tubi
- 3
- Principio generale
- A circuiti accordati (amplif. diretta) senza reazione; 2 Stadi BF; Neutrodina-Reflex
- N. di circuiti accordati
- 2 Circuiti Mod. Amp. (AM)
- Gamme d'onda
- Solo onde medie (OM).
- Tensioni di funzionamento
- Batterie a secco
- Altoparlante
- - Questo apparecchio richiede altoparlante/i esterno/i.
- Materiali
- Mobile in legno, valvole visibili.
- Radiomuseum.org
- Modello: Neutrodyne Type T - Ware Mfg. Corporation Ware
- Forma
- Soprammobile a leggio (pannello inclinato).
- Dimensioni (LxAxP)
- 14 x 10.75 x 13.25 inch / 356 x 273 x 337 mm
- Annotazioni
-
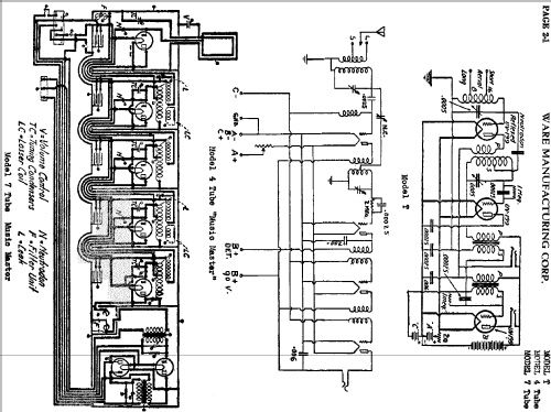
The Ware Type T Neutrodyne receiver employs a Neutrodyne Reflex circuit. The same chassis is used in the console version Neutrodyne Type TU.
This model was also made for several orderers, e.g. Sonora, where the model was named AA-2.
- Prezzo nel primo anno
- 65.00 USD
- Fonte esterna dei dati
- Ernst Erb
- Fonte dei dati
- The Radio Collector's Directory and Price Guide 1921 - 1965
- Riferimenti schemi
- Rider's Perpetual, Volume 2 = 1932 (Models 1931/1932)
- Bibliografia
- Guide to Old Radios
- Letteratura / Schemi (1)
- Collector's Guide to Antique Radios (6th edition)
- Letteratura / Schemi (2)
- The Music Trade Review, p.14, Oct .25, 1925
- Altri modelli
-
In questo link sono elencati 28 modelli, di cui 12 con immagini e 15 con schemi.
Elenco delle radio e altri apparecchi della Ware Mfg. Corporation (Ware Radio Corp.); New York NY
Collezioni
Il modello Neutrodyne fa parte delle collezioni dei seguenti membri.
Musei
Il modello Neutrodyne può essere visto nei seguenti musei.