Ekotape 280 Series
Webster Electric (Electrical) Co. (Teletalk); Racine (WI)
- Land
- USA
- Hersteller / Marke
- Webster Electric (Electrical) Co. (Teletalk); Racine (WI)
- Jahr
- 1958
- Kategorie
- Ton-/Bildspeichergerät oder -Spieler
- Radiomuseum.org ID
- 176075
Klicken Sie auf den Schaltplanausschnitt, um diesen kostenlos als Dokument anzufordern.
- Anzahl Röhren
- 7
- Hauptprinzip
- NF-Verstärkung
- Wellenbereiche
- - ohne
- Spezialitäten
- Tonbandgerät
- Betriebsart / Volt
- Wechselstromspeisung / 117 Volt
- Lautsprecher
- 2 Lautsprecher
- von Radiomuseum.org
- Modell: Ekotape 280 Series - Webster Electric Electrical Co
- Form
- Tischmodell, Zusatz nicht bekannt - allgemein.
- Bemerkung
- The Webster Electronic Division Model Ekotape 280 is an AC operated two speed tape recorder.
The main difference between the Models lies in the power input and the type heads used in the various models.
- Literatur/Schema (1)
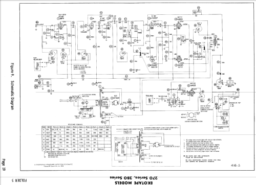
- Photofact Folder, Howard W. SAMS (Date 10-58, Set 416, Folder 5)
- Autor
- Modellseite von Egon Penker angelegt. Siehe bei "Änderungsvorschlag" für weitere Mitarbeit.
- Weitere Modelle
-
Hier finden Sie 110 Modelle, davon 97 mit Bildern und 72 mit Schaltbildern.
Alle gelisteten Radios usw. von Webster Electric (Electrical) Co. (Teletalk); Racine (WI)