- Country
- United States of America (USA)
- Manufacturer / Brand
- Webster Electric (Electrical) Co. (Teletalk); Racine (WI)
- Year
- 1959 ?
- Category
- Sound/Video Recorder and/or Player
- Radiomuseum.org ID
- 158697
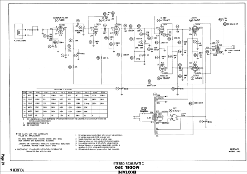
Click on the schematic thumbnail to request the schematic as a free document.
- Number of Tubes
- 6
- Main principle
- Audio-Amplification
- Wave bands
- - without
- Details
- Tape Recorder
- Power type and voltage
- Alternating Current supply (AC) / 105 - 120 Volt
- Loudspeaker
- 2 Loudspeakers
- Power out
- 8 W (unknown quality)
- from Radiomuseum.org
- Model: Ekotape 290 - Webster Electric Electrical Co
- Shape
- Tablemodel, with any shape - general.
- Notes
- The Webster Electric Model Ekotape 290 is an AC operated 6 Tube Two Speed Tape Recorder.
- Literature/Schematics (1)
- Photofact Folder, Howard W. SAMS (Date 2-59, Set 432, Folder 6)
- Author
- Model page created by Egon Penker. See "Data change" for further contributors.
- Other Models
-
Here you find 110 models, 97 with images and 72 with schematics for wireless sets etc. In French: TSF for Télégraphie sans fil.
All listed radios etc. from Webster Electric (Electrical) Co. (Teletalk); Racine (WI)