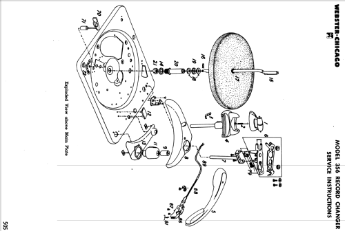
Record Changer 357-1 Ch= 356-1
Webster Co., The, Webster-Chicago, Webcor; Chicago (IL)
- Land
- USA
- Hersteller / Marke
- Webster Co., The, Webster-Chicago, Webcor; Chicago (IL)
- Jahr
- 1951 ?
- Kategorie
- Ton-/Bildspeichergerät oder -Spieler
- Radiomuseum.org ID
- 65307
-
- Marke: Webcor
Klicken Sie auf den Schaltplanausschnitt, um diesen kostenlos als Dokument anzufordern.
- Wellenbereiche
- - ohne
- Spezialitäten
- Plattenwechsler
- Betriebsart / Volt
- Wechselstromspeisung / 105-120 Volt
- Lautsprecher
- - Für Kopfhörer oder NF-Verstärker
- Material
- Metallausführung
- von Radiomuseum.org
- Modell: Record Changer 357-1 Ch= 356-1 - Webster Co., The, Webster-
- Form
- Tischmodell, Zusatz nicht bekannt - allgemein.
- Bemerkung
- Automatic record changer 78, 45 and 33 rpm.
- Datenherkunft extern
- Ernst Erb
- Schaltungsnachweis
- Rider's Perpetual, Volume 21, Copyright 1950
- Weitere Modelle
-
Hier finden Sie 448 Modelle, davon 216 mit Bildern und 371 mit Schaltbildern.
Alle gelisteten Radios usw. von Webster Co., The, Webster-Chicago, Webcor; Chicago (IL)
Sammlungen
Das Modell Record Changer 357-1 befindet sich in den Sammlungen folgender Mitglieder.