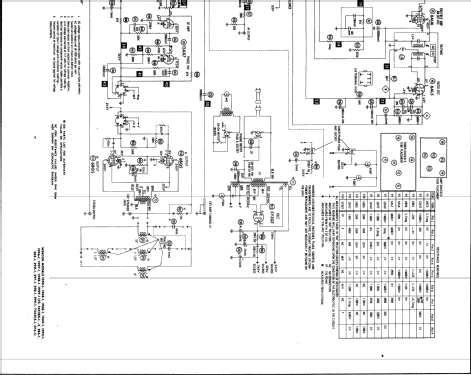
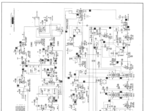
Webcor BC-1965-1 Ch= 14X298-1 Ch= 14X297-1
Webster Co., The, Webster-Chicago, Webcor; Chicago (IL)
- País
- Estados Unidos
- Fabricante / Marca
- Webster Co., The, Webster-Chicago, Webcor; Chicago (IL)
- Año
- 1959 ?
- Categoría
- Registrador o reproductor de sonido o visual
- Radiomuseum.org ID
- 145758
-
- Brand: Webcor
Haga clic en la miniatura esquemática para solicitarlo como documento gratuito.
- Numero de valvulas
- 6
- Principio principal
- Amplificador de Audio
- Gama de ondas
- - no hay
- Especialidades
- Tocadiscos con ampli. y altavoz
- Tensión de funcionamiento
- Red: Corriente alterna (CA, Inglés = AC) / 105 - 120 Volt
- Altavoz
- Altavoz dinámico (de imán permanente)
- de Radiomuseum.org
- Modelo: Webcor BC-1965-1 Ch= 14X298-1 Ch= 14X297-1 - Webster Co., The, Webster-
- Anotaciones
- AC operated preamp - amplifier with 4 speed automatic record changer. Sams photofact set 475 folder 17 date 2-60 features the Webcor models BC-1959-1, EC-1959-1, MC-1959-1, WC1959-1 with preamp chassis 14X285-1 and amp chassis 14X288-1, the models BC-1965-1, CC-1965-1, MC-1965-1 with preamp chassis 14X298-1 and amp chassis 14X297-1, the models BC-1968-1, WC-1968-1, MC-1969-1, PC-1969-1 with preamp chassis 14X285-1 and amp chassis 14X286-1, the models BC-1992-1, WC-1992-1 with preamp chassis 14X285-2, amp chassis 14X299-1 and tuner chassis 73X016-1, the models EC-1996-1, MC-1996-1, PC-1997-1, BC-1998-1, EC-1998-1, MC-1998-1, WC-1998-1 with preamp chassis 14X285-2, amp chassis 14X290-1 and tuner chassis 73X015-1, the models MC-1999-1, PC-1999-1 with preamp chassis 14X285-2, amp chassis 14X299-1 and tuner chassis 73X016-1 as the same schematic.
- Documentación / Esquemas (1)
- Photofact Folder, Howard W. SAMS (Set 475 folder 17 date 2-60)
- Autor
- Modelo creado por Peter Hoddow. Ver en "Modificar Ficha" los participantes posteriores.
- Otros modelos
-
Donde encontrará 448 modelos, 216 con imágenes y 371 con esquemas.
Ir al listado general de Webster Co., The, Webster-Chicago, Webcor; Chicago (IL)