Webcor CC-1893-1 Ch= 14X264-2 + 14X276-1 + 73X013-1
Webster Co., The, Webster-Chicago, Webcor; Chicago (IL)
- País
- Estados Unidos
- Fabricante / Marca
- Webster Co., The, Webster-Chicago, Webcor; Chicago (IL)
- Año
- 1959 ?
- Categoría
- Radio - o Sintonizador pasado WW2
- Radiomuseum.org ID
- 144517
-
- Brand: Webcor
Haga clic en la miniatura esquemática para solicitarlo como documento gratuito.
- Numero de valvulas
- 13
- Principio principal
- Superheterodino en general; ZF/IF 455/10700 kHz
- Gama de ondas
- OM y FM
- Especialidades
- Tocadiscos con cambiador autom.
- Tensión de funcionamiento
- Red: Corriente alterna (CA, Inglés = AC) / 110 - 120 Volt
- Altavoz
- 4 Altavoces
- de Radiomuseum.org
- Modelo: Webcor CC-1893-1 Ch= 14X264-2 + 14X276-1 + 73X013-1 - Webster Co., The, Webster-
- Anotaciones
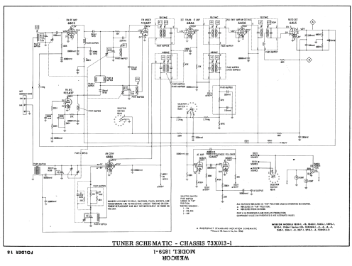
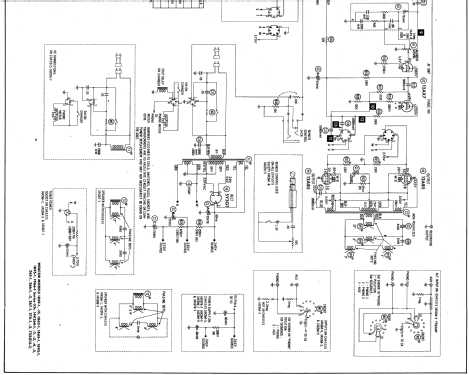
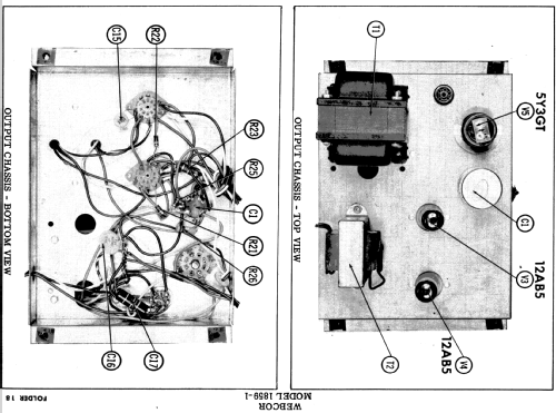
- AC operated AM - FM tuner, phono amplifier with stereo preamplifier and 4 speed automatic record changer. Sams photofact set 473 folder 18 date 2-60 features the Webcor models BC-1859-1, CC- 1859-1, MC-1859-1, MC-1859-1S with preamp chassis 14X264-1 and amp chassis 14X265-1, the models TP-1862-1, GP-1862-1 with preamp chassis 14X264-4 and amp chassis 14X276-1, the models BC-1865-1, CC-1865-1, MC-1865-1 with preamp chassis 14X264-3 and amp chassis 14X266-1, the models BC-1966-1, CC-1966-1, MC-1966-1 with preamp chassis 14X264-5 and amp chassis 14X276-3, and the models BC-1893-1, CC-1893-1, MC1893-1 with preamp chassis 14X264-2, amp chassis 14X267-1 and aditional tuner chassis 73X013-1, the models BC1895-1, CC-1895-1, MC-1895-1 with preamp chasssis 14X264-2, amp chassis 14X266-3 and aditional tuner chassis 73X013-1 as the same schematic.
- Documentación / Esquemas (1)
- Photofact Folder, Howard W. SAMS (Set 473 folder 18 date 2-60)
- Autor
- Modelo creado por Peter Hoddow. Ver en "Modificar Ficha" los participantes posteriores.
- Otros modelos
-
Donde encontrará 448 modelos, 216 con imágenes y 371 con esquemas.
Ir al listado general de Webster Co., The, Webster-Chicago, Webcor; Chicago (IL)