Webcor EC4904-1 Ch= 14X296-1
Webster Co., The, Webster-Chicago, Webcor; Chicago (IL)
- Land
- USA
- Hersteller / Marke
- Webster Co., The, Webster-Chicago, Webcor; Chicago (IL)
- Jahr
- 1959 ?
- Kategorie
- NF-(Niederfrequenz-) Verstärker oder -Mixer
- Radiomuseum.org ID
- 144015
-
- Marke: Webcor
Klicken Sie auf den Schaltplanausschnitt, um diesen kostenlos als Dokument anzufordern.
- Anzahl Röhren
- 4
- Hauptprinzip
- NF-Verstärkung
- Wellenbereiche
- - ohne
- Betriebsart / Volt
- Wechselstromspeisung / 110 - 120 Volt
- Lautsprecher
- 3 Lautsprecher
- von Radiomuseum.org
- Modell: Webcor EC4904-1 Ch= 14X296-1 - Webster Co., The, Webster-
- Bemerkung
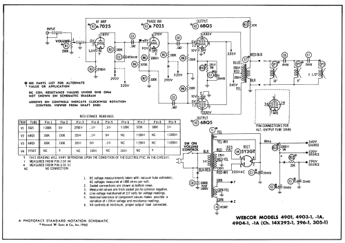
- AC operated audio amplifier. Sams photofact set 474 folder 20 date 2-60 features the Webcor models BT4901-1, MT4901-1, PT4901-1, WT4901-1 with chassis 14X292-1, the models BC4903-1, EC4903-1, EC4904-1, MC4903-1, MC4904-1, PC4904-1, WC4903-1, WC4904-1 with chassis 14X296-1 and the models BC4903-1A, EC4903-1A, EC4904-1A, MC4903-1A, MC4904-1A, PC4904-1A, WC4904-1A with chassis 14X305-1 as the same schematic. If the set is fitted with the tube 12AX7 instead of 7025 as voltage amp. and phase inverter, then other values are needed. See the separate schematic.
- Literatur/Schema (1)
- Photofact Folder, Howard W. SAMS (Set 474 folder 20 date 2-60)
- Autor
- Modellseite von Peter Hoddow angelegt. Siehe bei "Änderungsvorschlag" für weitere Mitarbeit.
- Weitere Modelle
-
Hier finden Sie 448 Modelle, davon 216 mit Bildern und 371 mit Schaltbildern.
Alle gelisteten Radios usw. von Webster Co., The, Webster-Chicago, Webcor; Chicago (IL)