Webcor TP-1054-1 Ch= 14X319
Webster Co., The, Webster-Chicago, Webcor; Chicago (IL)
- País
- Estados Unidos
- Fabricante / Marca
- Webster Co., The, Webster-Chicago, Webcor; Chicago (IL)
- Año
- 1959 ?
- Categoría
- Registrador o reproductor de sonido o visual
- Radiomuseum.org ID
- 150175
-
- Brand: Webcor
Haga clic en la miniatura esquemática para solicitarlo como documento gratuito.
- Numero de valvulas
- 3
- Principio principal
- Amplificador de Audio
- Gama de ondas
- - no hay
- Especialidades
- Tocadiscos con ampli. y altavoz
- Tensión de funcionamiento
- Red: Corriente alterna (CA, Inglés = AC) / 105 - 120 Volt
- Altavoz
- 2 Altavoces
- Material
- Cuero/Tela/ Plástico sobre otros materiales
- de Radiomuseum.org
- Modelo: Webcor TP-1054-1 Ch= 14X319 - Webster Co., The, Webster-
- Forma
- Sobremesa de cualquier forma, detalles no conocidos.
- Anotaciones
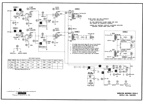
- AC operated stereo phono amplifier with 4 speed automatic record changer. Sams photofact set 497 folder 17 date 9-60 features the Webcor models EP-1054-1, TP-1054-1, TP-1070-1 and EP-1070-1 as the same schematic.
- Documentación / Esquemas (1)
- Photofact Folder, Howard W. SAMS (Set 497 folder 17 date 9-60)
- Autor
- Modelo creado por Peter Hoddow. Ver en "Modificar Ficha" los participantes posteriores.
- Otros modelos
-
Donde encontrará 448 modelos, 216 con imágenes y 371 con esquemas.
Ir al listado general de Webster Co., The, Webster-Chicago, Webcor; Chicago (IL)