Acoustic Dimension Compiler ADC2
Wega, Württembergische Radio-Ges. mbH; Stuttgart, Fellbach
- País
- Alemania
- Fabricante / Marca
- Wega, Württembergische Radio-Ges. mbH; Stuttgart, Fellbach
- Año
- 1981 ?
- Categoría
- Miscelanea, objetos de propaganda, pines, banderines, ceniceros, otros, etc.
- Radiomuseum.org ID
- 90620
-
- alternative name: Württemb. Radio-Ges.mbH; Stuttgart
Haga clic en la miniatura esquemática para solicitarlo como documento gratuito.
- Numero de transistores
- Hay semiconductores.
- Semiconductores
- Principio principal
- Amplificador de Audio
- Gama de ondas
- - no hay
- Tensión de funcionamiento
- Red: Corriente alterna (CA, Inglés = AC) / 220 Volt
- Altavoz
- - Este modelo usa amplificador externo de B.F.
- Potencia de salida
- 60 W (undistorted)
- Material
- Metálico
- de Radiomuseum.org
- Modelo: Acoustic Dimension Compiler ADC2 - Wega, Württembergische Radio-
- Forma
- Unidad para estanteria.
- Ancho, altura, profundidad
- 360 x 145 x 280 mm / 14.2 x 5.7 x 11 inch
- Anotaciones
-
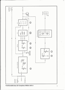
Raumklanggerät, mit eigener Endstufe für die Hintergrundkanäle (2 x 30 W sinus). Einstellbare Verzögerungszeit und Nachhallintensität. Optisch passend zur Modul 41/42-Serie
- Peso neto
- 6.1 kg / 13 lb 7 oz (13.436 lb)
- Procedencia de los datos
- - - Data from my own collection
- Autor
- Modelo creado por Peter Böhm. Ver en "Modificar Ficha" los participantes posteriores.
- Otros modelos
-
Donde encontrará 673 modelos, 599 con imágenes y 393 con esquemas.
Ir al listado general de Wega, Württembergische Radio-Ges. mbH; Stuttgart, Fellbach
Colecciones
El modelo Acoustic Dimension Compiler es parte de las colecciones de los siguientes miembros.