- Country
- Germany
- Manufacturer / Brand
- Wega, Württembergische Radio-Ges. mbH; Stuttgart, Fellbach
- Year
- 1977/1978
- Category
- Audio Amplifier or -mixer
- Radiomuseum.org ID
- 90619
-
- alternative name: Württemb. Radio-Ges.mbH; Stuttgart
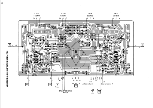
Click on the schematic thumbnail to request the schematic as a free document.
- Number of Transistors
- 21
- Semiconductors
- Main principle
- Audio-Amplification
- Wave bands
- - without
- Power type and voltage
- Alternating Current supply (AC) / 110-240 Volt
- Loudspeaker
- - This model requires external speaker(s).
- Material
- Metal case
- from Radiomuseum.org
- Model: V3841-2 - Wega, Württembergische Radio-
- Shape
- Book-shelf unit.
- Dimensions (WHD)
- 360 x 145 x 280 mm / 14.2 x 5.7 x 11 inch
- Notes
- ICs: 2.
HiFi-Stereo-Vollverstärker. Ausgangsleistung: 2× 70 W (Sinus). Eingänge: Phono, Tuner, Aux, 2× Tape. 4 LS-Ausgänge.
Gehäuse: anthrazit oder stahlblau.
- Net weight (2.2 lb = 1 kg)
- 7.2 kg / 15 lb 13.7 oz (15.859 lb)
- Source of data
- Handbuch VDRG 1977/1978
- Author
- Model page created by Peter Böhm. See "Data change" for further contributors.
- Other Models
-
Here you find 673 models, 599 with images and 393 with schematics for wireless sets etc. In French: TSF for Télégraphie sans fil.
All listed radios etc. from Wega, Württembergische Radio-Ges. mbH; Stuttgart, Fellbach
Collections
The model is part of the collections of the following members.