W-76 /B 19"
Werner; Madrid
- Paese
- Spagna
- Produttore / Marca
- Werner; Madrid
- Anno
- 1967 ??
- Categoria
- Televisore (TV) / Monitor
- Radiomuseum.org ID
- 340384
Clicca sulla miniatura dello schema per richiederlo come documento gratuito.
- Numero di tubi
- 16
- Valvole
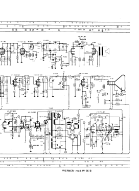
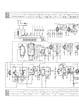
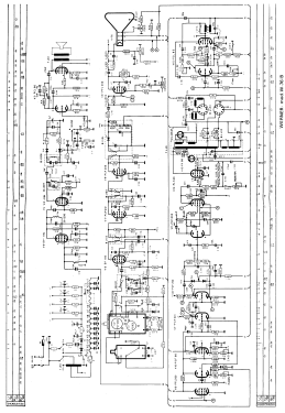
- PC900 PCF801 EF183 PCF201 PCF200 PFL200 PCF80 PCF802 PL500 PY88 DY87 PCL85 EF184 EF184 PCL86 unknown_CRT
- Numero di transistor
- A semiconduttori.
- Semiconduttori
- Principio generale
- Supereterodina con stadio RF; ZF/IF 38900 kHz; 2 Stadi BF
- Gamme d'onda
- VHF/UHF (ved. i dettagli nelle note)
- Tensioni di funzionamento
- Alimentazione a corrente alternata (CA) / 125; 220 Volt
- Altoparlante
- AP magnetodinamico (magnete permanente e bobina mobile)
- Radiomuseum.org
- Modello: W-76 /B [19"] - Werner; Madrid
- Forma
- Soprammobile basso, con andamento orizzontale (grosse dimensioni).
- Annotazioni
-
Wener, S.A.E. modelo W-76 /B
TV B/N 19" con selector rotativo de VHF y sintonizador transistorizado de UHF
- Bibliografia
- Esquemario TV REDE, Tomo V, 1969
- Letteratura / Schemi (1)
- -- Schematic
- Autore
- Modello inviato da Miguel Bravo-Cos. Utilizzare "Proponi modifica" per inviare ulteriori dati.
- Altri modelli
-
In questo link sono elencati 40 modelli, di cui 22 con immagini e 36 con schemi.
Elenco delle radio e altri apparecchi della Werner; Madrid