- Land
- USA
- Hersteller / Marke
- Western Auto Supply Co. (Truetone); Kansas City (MO)
- Jahr
- 1956 ?
- Kategorie
- Fernseh-Empfänger/Monitor
- Radiomuseum.org ID
- 260008
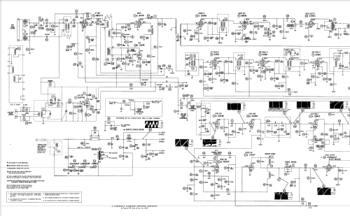
Klicken Sie auf den Schaltplanausschnitt, um diesen kostenlos als Dokument anzufordern.
- Anzahl Röhren
- 16
- Röhren
- 6AF4A 6BQ7A 6AT8 6CB6 6CB6 6CB6 6AN8 6AN8 6BN6 25BK5 12BH7 12AV7 25BQ6GT or 25CU6 25AX4GT 1X2B 21YP4A
- Hauptprinzip
- Super mit HF-Vorstufe
- Wellenbereiche
- VHF/UHF (siehe Bemerkungen)
- Betriebsart / Volt
- Wechselstromspeisung / 60 Cycles 105-115 Volt
- Lautsprecher
- Dynamischer LS, keine Erregerspule (permanentdynamisch) / Ø 5.25 inch = 13.3 cm
- Material
- Gerät mit Holzgehäuse
- von Radiomuseum.org
- Modell: 2D1715A - Western Auto Supply Co.
- Form
- Standgerät auf hohen Beinen (Beine > 50 % der Gesamthöhe).
- Bemerkung
-
The Truetone 2D1715A is a 21" TV with US standard VHF Tuner channels 2 thru 13, 14 thru 83 UHF. Equipped with a picture tube 21YP4A.
- Literatur/Schema (1)
- Photofact Folder, Howard W. SAMS (Set 349 Folder 12 Date 3-57)
- Autor
- Modellseite von Dirk Taekels angelegt. Siehe bei "Änderungsvorschlag" für weitere Mitarbeit.
- Weitere Modelle
-
Hier finden Sie 917 Modelle, davon 531 mit Bildern und 812 mit Schaltbildern.
Alle gelisteten Radios usw. von Western Auto Supply Co. (Truetone); Kansas City (MO)