- Country
- United States of America (USA)
- Manufacturer / Brand
- Western Auto Supply Co. (Truetone); Kansas City (MO)
- Year
- 1958 ?
- Category
- Television Receiver (TV) or Monitor
- Radiomuseum.org ID
- 183778
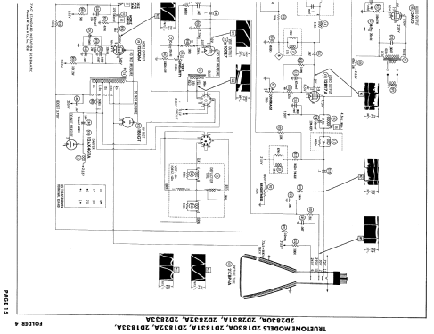
Click on the schematic thumbnail to request the schematic as a free document.
- Number of Tubes
- 14
- Valves / Tubes
- 21CBP4A
- Main principle
- Superhet with RF-stage
- Wave bands
- VHF incl. FM and/or UHF (see notes for details)
- Power type and voltage
- Alternating Current supply (AC) / 110 - 120 Volt
- Loudspeaker
- Permanent Magnet Dynamic (PDyn) Loudspeaker (moving coil) / Ø 5 inch = 12.7 cm
- Material
- Wooden case
- from Radiomuseum.org
- Model: 2D1833A - Western Auto Supply Co.
- Shape
- Console, Lowboy (legs < 50 %).
- Notes
- 21" b/w TV with US standard VHF, Channels 2 thru 13, 14 thru 83 UHF.
- Literature/Schematics (1)
- Photofact Folder, Howard W. SAMS (Date 6-58, Set 403, Folder 4)
- Author
- Model page created by Egon Penker. See "Data change" for further contributors.
- Other Models
-
Here you find 917 models, 530 with images and 811 with schematics for wireless sets etc. In French: TSF for Télégraphie sans fil.
All listed radios etc. from Western Auto Supply Co. (Truetone); Kansas City (MO)