D2907 Truetone Ch= AG
Western Auto Supply Co. (Truetone); Kansas City (MO)
- Land
- USA
- Hersteller / Marke
- Western Auto Supply Co. (Truetone); Kansas City (MO)
- Jahr
- 1949
- Kategorie
- Rundfunkempfänger (Radio - oder Tuner nach WW2)
- Radiomuseum.org ID
- 65839
Klicken Sie auf den Schaltplanausschnitt, um diesen kostenlos als Dokument anzufordern.
- Anzahl Röhren
- 4
- Hauptprinzip
- Superhet allgemein; ZF/IF 455 kHz; 2 NF-Stufe(n)
- Anzahl Kreise
- 4 Kreis(e) AM
- Wellenbereiche
- Mittelwelle, keine anderen.
- Betriebsart / Volt
- Allstromgerät / 105 - 125 Volt
- Lautsprecher
- Dynamischer LS, keine Erregerspule (permanentdynamisch) / Ø 4 inch = 10.2 cm
- Material
- Plastikgehäuse (nicht Bakelit), Thermoplast
- von Radiomuseum.org
- Modell: D2907 Truetone Ch= AG - Western Auto Supply Co.
- Form
- Tischgerät ohne Drucktasten, bis 35 cm Breite (Kleingerät, meist dekorativ. Nur für Netzbetrieb, doch Transportgriff möglich).
- Bemerkung
- Colors are as follows: Ivory or Walnut
- Datenherkunft extern
- Ernst Erb
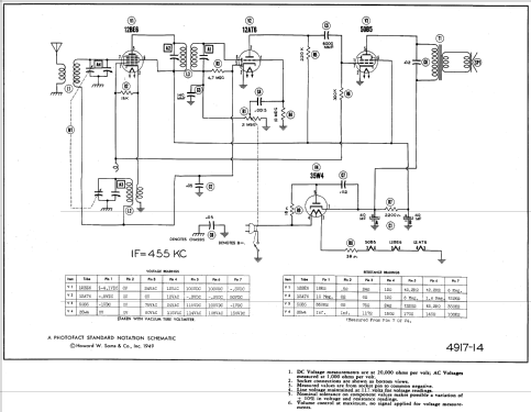
- Schaltungsnachweis
- Rider's Perpetual, Volume 19 = 1949 and before
- Literaturnachweis
- Collector's Guide to Antique Radios (6th edition)
- Literatur/Schema (1)
- Photofact Folder, Howard W. SAMS (Date 9-49, Set 69, Folder 14)
- Weitere Modelle
-
Hier finden Sie 919 Modelle, davon 534 mit Bildern und 813 mit Schaltbildern.
Alle gelisteten Radios usw. von Western Auto Supply Co. (Truetone); Kansas City (MO)