Truetone 2D1091
Western Auto Supply Co. (Truetone); Kansas City (MO)
- Pays
- Etats-Unis
- Fabricant / Marque
- Western Auto Supply Co. (Truetone); Kansas City (MO)
- Année
- 1952 ?
- Catégorie
- Récepteur de télévision ou moniteur
- Radiomuseum.org ID
- 354390
Cliquez sur la vignette du schéma pour le demander en tant que document gratuit.
- No. de tubes
- 21
- Lampes / Tubes
- 6AG5 6J6 or 12AT7 6AU6 6AU6 6AU6 6AU6 6AL5 12AT7 or 12AU7 6AU6 6AU6 6T8 6K6GT 6SN7GT 6SN7GT 6AL5 6SN7GT 6BG6G 6W4GT 1X2 5U4G 12LP4A
- Principe général
- Super hétérodyne avec étage HF
- Gammes d'ondes
- Bandes en notes
- Tension / type courant
- Alimentation Courant Alternatif (CA) / 60 Hz, 115V = 110 -115 Volt
- Haut-parleur
- HP dynamique à aimant permanent + bobine mobile
- Matière
- Plastique moderne (pas de bakélite, ni de catalin)
- De Radiomuseum.org
- Modèle: Truetone 2D1091 - Western Auto Supply Co.
- Forme
- Modèle de table générique
- Remarques
-
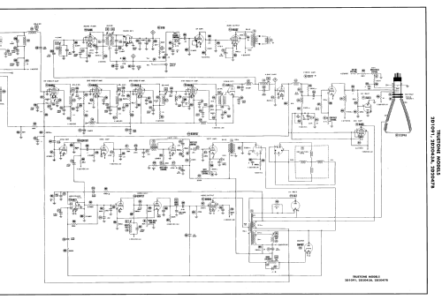
Truetone model 2D1091 is a 12” b/w TV with US standard VHF tuner channels 2 thru 13.
Equipped with VHF tuner C-211-18742 and picture tube 12LP4A.
- Schémathèque (1)
- Photofact Folder, Howard W. SAMS (Set 161, folder 10, dated 3-52)
- Auteur
- Modèle crée par Dirk Taekels. Voir les propositions de modification pour les contributeurs supplémentaires.
- D'autres Modèles
-
Vous pourrez trouver sous ce lien 917 modèles d'appareils, 531 avec des images et 812 avec des schémas.
Tous les appareils de Western Auto Supply Co. (Truetone); Kansas City (MO)