4DC5962 Truetone
Western Auto Supply Co. (Truetone); Kansas City (MO)
- Country
- United States of America (USA)
- Manufacturer / Brand
- Western Auto Supply Co. (Truetone); Kansas City (MO)
- Year
- 1959 ?
- Category
- Sound/Video Recorder and/or Player
- Radiomuseum.org ID
- 145806
Click on the schematic thumbnail to request the schematic as a free document.
- Number of Tubes
- 3
- Main principle
- Audio-Amplification
- Wave bands
- - without
- Details
- Rec.Player+Audio.Amp+LS
- Power type and voltage
- Alternating Current supply (AC) / 110 - 125 Volt
- Loudspeaker
- 2 Loudspeakers / Ø 8 inch = 20.3 cm
- from Radiomuseum.org
- Model: 4DC5962 Truetone - Western Auto Supply Co.
- Notes
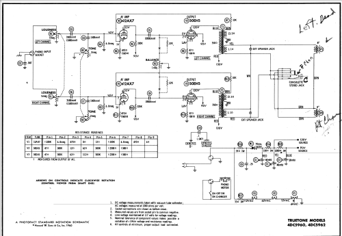
- AC operated stereo phono amplifier with 4 speed automatic record changer. Sams photofact set 490 folder 16 date 6-60 features the Truetone models 4DC5960 and 4DC5962 as the same schematic.
- Literature/Schematics (1)
- Photofact Folder, Howard W. SAMS (Set 490 folder 16 date 6-60)
- Author
- Model page created by Peter Hoddow. See "Data change" for further contributors.
- Other Models
-
Here you find 919 models, 534 with images and 813 with schematics for wireless sets etc. In French: TSF for Télégraphie sans fil.
All listed radios etc. from Western Auto Supply Co. (Truetone); Kansas City (MO)