- País
- Estados Unidos
- Fabricante / Marca
- Westinghouse El. & Mfg. Co. - see also Canadian W.
- Año
- 1948
- Categoría
- Radio - o Sintonizador pasado WW2
- Radiomuseum.org ID
- 66255
-
- alternative name: Westinghouse El. Int.
Haga clic en la miniatura esquemática para solicitarlo como documento gratuito.
- Numero de valvulas
- 6
- Principio principal
- Superheterodino en general; ZF/IF 455 kHz; 2 Etapas de AF
- Número de circuitos sintonía
- 6 Circuíto(s) AM
- Gama de ondas
- OM (onda media) solamente
- Especialidades
- Tocadiscos con cambiador autom.
- Tensión de funcionamiento
- Red: Corriente alterna (CA, Inglés = AC) / 105 - 120 Volt
- Altavoz
- Altavoz dinámico (de imán permanente) / Ø 10 inch = 25.4 cm
- Potencia de salida
- 2 W (unknown quality)
- Material
- Madera
- de Radiomuseum.org
- Modelo: H-183A - Westinghouse El. & Mfg. Co. -
- Forma
- Consola baja, patas más cortas del 50%.
- Ext. procedencia de los datos
- Ernst Erb
- Procedencia de los datos
- Collector's Guide to Antique Radios 4. Edition
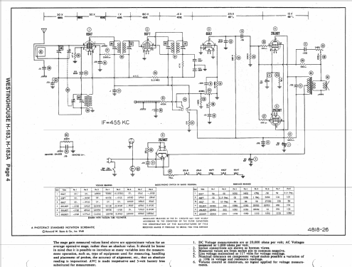
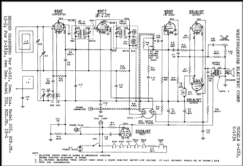
- Referencia esquema
- Rider's Perpetual, Volume 19 = 1949 and before
- Mencionado en
- Photofact Folder, Howard W. SAMS (4818-26 Set 48 Folder 26)
- Otros modelos
-
Donde encontrará 3157 modelos, 1761 con imágenes y 2673 con esquemas.
Ir al listado general de Westinghouse El. & Mfg. Co. - see also Canadian W.