H21KU213A Ch= V-2381-204
Westinghouse El. & Mfg. Co. - see also Canadian W.
- Country
- United States of America (USA)
- Manufacturer / Brand
- Westinghouse El. & Mfg. Co. - see also Canadian W.
- Year
- 1957 ?
- Category
- Television Receiver (TV) or Monitor
- Radiomuseum.org ID
- 316249
-
- alternative name: Westinghouse El. Int.
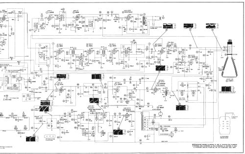
Click on the schematic thumbnail to request the schematic as a free document.
- Number of Tubes
- 17
- Valves / Tubes
- 2AF4A 2CY5 5CL8 5AN8 3BN6 12C5 3BZ6 3BZ6 3DK6 or 3CB6 6BH6 3BY6 or 3CS6 12W6GT 6CG7 12DQ6A 12D4 1B3GT 21BTP4
- Main principle
- Superhet with RF-stage
- Wave bands
- Wave Bands given in the notes.
- Power type and voltage
- Alternating Current supply (AC) / 60 Hz, 117V = 110 -120 Volt
- Loudspeaker
- Permanent Magnet Dynamic (PDyn) Loudspeaker (moving coil)
- Material
- Wooden case
- from Radiomuseum.org
- Model: H21KU213A Ch= V-2381-204 - Westinghouse El. & Mfg. Co. -
- Shape
- Console, Lowboy (legs < 50 %).
- Notes
-
Westinghouse model H21KU213A is a 21" b/w TV with US standard VHF tuner channels 2 thru 13, and 14 thru 83 UHF. Equipped with chassis V-2381-204, VHF-UHF tuner 470V020H03 and picture tube 21BTP4.
- Literature/Schematics (1)
- Photofact Folder, Howard W. SAMS (Set 376 Folder 20-S dated 11-57)
- Literature/Schematics (2)
- Photofact Folder, Howard W. SAMS (Set 387 Folder 4 dated 2-58)
- Author
- Model page created by Dirk Taekels. See "Data change" for further contributors.
- Other Models
-
Here you find 3157 models, 1761 with images and 2673 with schematics for wireless sets etc. In French: TSF for Télégraphie sans fil.
All listed radios etc. from Westinghouse El. & Mfg. Co. - see also Canadian W.