H-355T5 Ch= V-2157-5
Westinghouse El. & Mfg. Co. - see also Canadian W.
- País
- Estados Unidos
- Fabricante / Marca
- Westinghouse El. & Mfg. Co. - see also Canadian W.
- Año
- 1952 ?
- Categoría
- Radio - o Sintonizador pasado WW2
- Radiomuseum.org ID
- 66366
-
- alternative name: Westinghouse El. Int.
Haga clic en la miniatura esquemática para solicitarlo como documento gratuito.
- Numero de valvulas
- 5
- Principio principal
- Superheterodino en general; ZF/IF 455 kHz; 2 Etapas de AF
- Número de circuitos sintonía
- 6 Circuíto(s) AM
- Gama de ondas
- OM (onda media) solamente
- Tensión de funcionamiento
- Red: Corriente alterna (CA, Inglés = AC) / 60 Hz, 117V = 110 -120 Volt
- Altavoz
- Altavoz dinámico (de imán permanente) / Ø 4 inch = 10.2 cm
- Potencia de salida
- 0.9 W (unknown quality)
- Material
- Plástico moderno (Nunca bakelita o catalina)
- de Radiomuseum.org
- Modelo: H-355T5 Ch= V-2157-5 - Westinghouse El. & Mfg. Co. -
- Forma
- Sobremesa con reloj o Radio despertador.
- Anotaciones
-
Westinghouse model H-355T5 is an AC operated superheterodyne receiver with electric clock.
- Ext. procedencia de los datos
- Ernst Erb
- Procedencia de los datos
- The Radio Collector's Directory and Price Guide 1921 - 1965
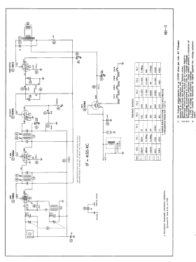
- Referencia esquema
- Beitman Radio Diagrams Vol. 12, 1952
- Mencionado en
- Collector's Guide to Antique Radios 4. Edition (Rider's Perpetual, Volume 23 (last))
- Documentación / Esquemas (1)
- Photofact Folder, Howard W. SAMS (Date 3-52, Set 161, Folder 11)
- Otros modelos
-
Donde encontrará 3155 modelos, 1761 con imágenes y 2671 con esquemas.
Ir al listado general de Westinghouse El. & Mfg. Co. - see also Canadian W.
Colecciones
El modelo H-355T5 es parte de las colecciones de los siguientes miembros.