H370T7 Ch= V-2180-8 schwarz
Westinghouse El. & Mfg. Co. - see also Canadian W.
- Produttore / Marca
- Westinghouse El. & Mfg. Co. - see also Canadian W.
- Anno
- 1952 ?
- Categoria
- Radio (o sintonizzatore del dopoguerra WW2)
- Radiomuseum.org ID
- 87689
-
- alternative name: Westinghouse El. Int.
Clicca sulla miniatura dello schema per richiederlo come documento gratuito.
- Numero di tubi
- 7
- Numero di transistor
- Semiconduttori
- Selenium-Rectifier
- Principio generale
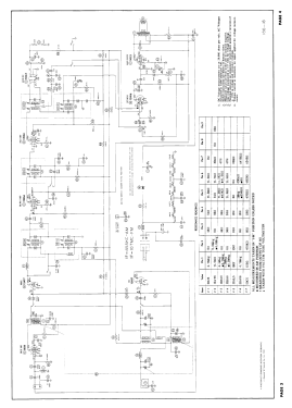
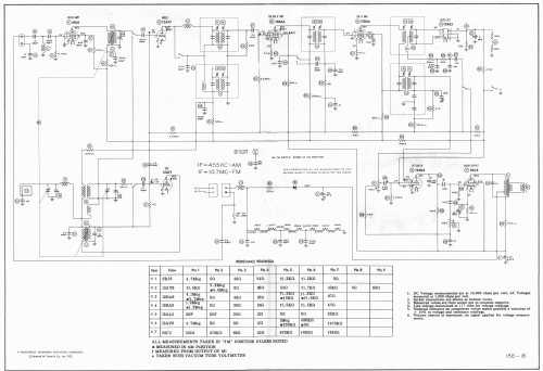
- Supereterodina (in generale); ZF/IF 455/10700 kHz; 2 Stadi BF
- N. di circuiti accordati
- 6 Circuiti Mod. Amp. (AM) 8 Circuiti Mod. Freq. (FM)
- Gamme d'onda
- Onde medie (OM) e MF (FM).
- Tensioni di funzionamento
- Alimentazione universale (doppia: CC/CA) / AC/DC 117V =110-120 Volt
- Altoparlante
- AP magnetodinamico (magnete permanente e bobina mobile) / Ø 5.25 inch = 13.3 cm
- Materiali
- Plastica (non bachelite o catalina)
- Radiomuseum.org
- Modello: H370T7 Ch= V-2180-8 [schwarz] - Westinghouse El. & Mfg. Co. -
- Forma
- Soprammobile con qualsiasi forma (non saputo).
- Annotazioni
-
Westinghouse model H-370T7 is an AC-DC operated AM-FM superheterodyne receiver.
- Letteratura / Schemi (1)
- Beitman Radio Diagrams, Vol. 12, 1952
- Letteratura / Schemi (2)
- Photofact Folder, Howard W. SAMS (Set 186, folder 16, dated 11-52)
- Autore
- Modello inviato da Walter Wiesmüller † May 2012. Utilizzare "Proponi modifica" per inviare ulteriori dati.
- Altri modelli
-
In questo link sono elencati 3155 modelli, di cui 1761 con immagini e 2671 con schemi.
Elenco delle radio e altri apparecchi della Westinghouse El. & Mfg. Co. - see also Canadian W.