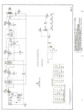
H375T5 Ch= V-2157-9
Westinghouse El. & Mfg. Co. - see also Canadian W.
- Country
- United States of America (USA)
- Manufacturer / Brand
- Westinghouse El. & Mfg. Co. - see also Canadian W.
- Year
- 1952 ?
- Category
- Broadcast Receiver - or past WW2 Tuner
- Radiomuseum.org ID
- 87658
-
- alternative name: Westinghouse El. Int.
Click on the schematic thumbnail to request the schematic as a free document.
- Number of Tubes
- 5
- Main principle
- Superheterodyne (common); ZF/IF 455 kHz; 2 AF stage(s)
- Tuned circuits
- 6 AM circuit(s)
- Wave bands
- Broadcast only (MW).
- Power type and voltage
- Alternating Current supply (AC) / 60Hz, 117V=110-120 Volt
- Loudspeaker
- Permanent Magnet Dynamic (PDyn) Loudspeaker (moving coil) / Ø 4 inch = 10.2 cm
- Material
- Plastics (no bakelite or catalin)
- from Radiomuseum.org
- Model: H375T5 Ch= V-2157-9 - Westinghouse El. & Mfg. Co. -
- Shape
- Tablemodel with Clock ((Alarm-) Clock Radio).
- Notes
-
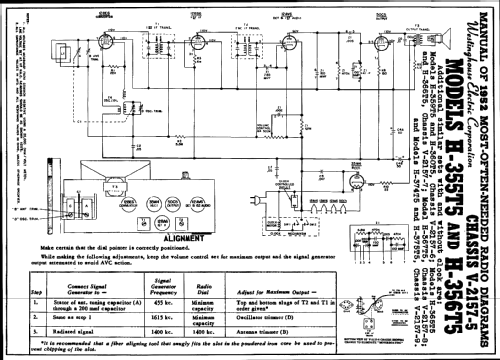
Westinghouse model H-375T5 is an AC operated AM superheterodyne receiver with electric clock.
- Literature/Schematics (1)
- Beitman Radio Diagrams, Vol. 12, 1952 (page 151)
- Literature/Schematics (2)
- Photofact Folder, Howard W. SAMS (Set 189, Folder 17, 12-52)
- Author
- Model page created by Walter Wiesmüller † May 2012. See "Data change" for further contributors.
- Other Models
-
Here you find 3157 models, 1761 with images and 2673 with schematics for wireless sets etc. In French: TSF for Télégraphie sans fil.
All listed radios etc. from Westinghouse El. & Mfg. Co. - see also Canadian W.
Collections
The model H375T5 is part of the collections of the following members.