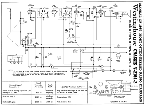
H-400P4 (Maroon) Ch= V-2164-2
Westinghouse El. & Mfg. Co. - see also Canadian W.
- Pays
- Etats-Unis
- Fabricant / Marque
- Westinghouse El. & Mfg. Co. - see also Canadian W.
- Année
- 1953 ?
- Catégorie
- Radio - ou tuner d'après la guerre 1939-45
- Radiomuseum.org ID
- 89167
-
- alternative name: Westinghouse El. Int.
Cliquez sur la vignette du schéma pour le demander en tant que document gratuit.
- No. de tubes
- 4
- Principe général
- Super hétérodyne (en général); FI/IF 455 kHz; 2 Etage(s) BF
- Circuits accordés
- 6 Circuits MA (AM)
- Gammes d'ondes
- PO uniquement
- Tension / type courant
- Secteur et Piles (tous types). / AC/DC 117=115-120/ 7.5 & 90 Volt
- Haut-parleur
- HP dynamique à aimant permanent + bobine mobile / Ø 4 inch = 10.2 cm
- Matière
- Plastique moderne (pas de bakélite, ni de catalin)
- De Radiomuseum.org
- Modèle: H-400P4 Ch= V-2164-2 - Westinghouse El. & Mfg. Co. -
- Forme
- Portative > 20 cm (sans nécessité secteur)
- Remarques
-
Westinghouse model H-400P4 is a three power portable superheterodyne receiver. Selenium Rectifier. similar to model " H-401P1 (Green) "
- Schémathèque (1)
- Beitman Radio Diagrams, Vol. 13, 1953
- Schémathèque (2)
- Photofact Folder, Howard W. SAMS (Set 205, folder 13, dated 6-53)
- Auteur
- Modèle crée par Walter Wiesmüller † May 2012. Voir les propositions de modification pour les contributeurs supplémentaires.
- D'autres Modèles
-
Vous pourrez trouver sous ce lien 3155 modèles d'appareils, 1761 avec des images et 2671 avec des schémas.
Tous les appareils de Westinghouse El. & Mfg. Co. - see also Canadian W.