H48SE4 Ch= V-2503-5
Westinghouse El. & Mfg. Co. - see also Canadian W.
- Land
- USA
- Hersteller / Marke
- Westinghouse El. & Mfg. Co. - see also Canadian W.
- Jahr
- 1959
- Kategorie
- NF-(Niederfrequenz-) Verstärker oder -Mixer
- Radiomuseum.org ID
- 72336
-
- anderer Name: Westinghouse El. Int.
Klicken Sie auf den Schaltplanausschnitt, um diesen kostenlos als Dokument anzufordern.
- Anzahl Röhren
- 3
- Hauptprinzip
- NF-Verstärkung
- Wellenbereiche
- - ohne
- Betriebsart / Volt
- Wechselstromspeisung / 105 - 120 Volt
- Lautsprecher
- 2 Lautsprecher / Ø 6 inch = 15.2 cm
- Material
- Gerät mit Holzgehäuse
- von Radiomuseum.org
- Modell: H48SE4 Ch= V-2503-5 - Westinghouse El. & Mfg. Co. -
- Form
- Tischmodell, Zusatz nicht bekannt - allgemein.
- Bemerkung
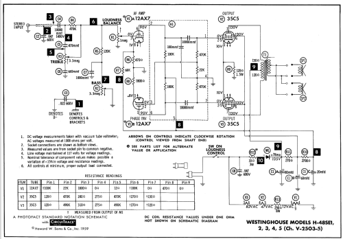
- The Westinghouse Model H-48SE4 is an AC operated 3 Tube Audio Amplifier.
- Schaltungsnachweis
- Beitman Radio Diagrams Vol. 19, 1959
- Literatur/Schema (1)
- Photofact Folder, Howard W. SAMS (Date 6-59, Set 446, Folder 16)
- Autor
- Modellseite von Hinrich Grensemann † 15.5.16 angelegt. Siehe bei "Änderungsvorschlag" für weitere Mitarbeit.
- Weitere Modelle
-
Hier finden Sie 3155 Modelle, davon 1761 mit Bildern und 2671 mit Schaltbildern.
Alle gelisteten Radios usw. von Westinghouse El. & Mfg. Co. - see also Canadian W.