H48SE5 Ch= V-2503-5
Westinghouse El. & Mfg. Co. - see also Canadian W.
- Country
- United States of America (USA)
- Manufacturer / Brand
- Westinghouse El. & Mfg. Co. - see also Canadian W.
- Year
- 1959
- Category
- Audio Amplifier or -mixer
- Radiomuseum.org ID
- 72337
-
- alternative name: Westinghouse El. Int.
Click on the schematic thumbnail to request the schematic as a free document.
- Number of Tubes
- 3
- Main principle
- Audio-Amplification
- Wave bands
- - without
- Power type and voltage
- Alternating Current supply (AC) / 105 - 120 Volt
- Loudspeaker
- 2 Loudspeakers / Ø 6 inch = 15.2 cm
- Material
- Wooden case
- from Radiomuseum.org
- Model: H48SE5 Ch= V-2503-5 - Westinghouse El. & Mfg. Co. -
- Shape
- Tablemodel, with any shape - general.
- Notes
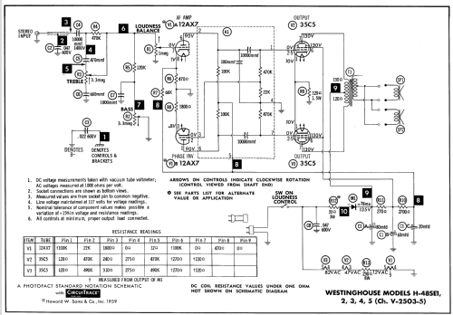
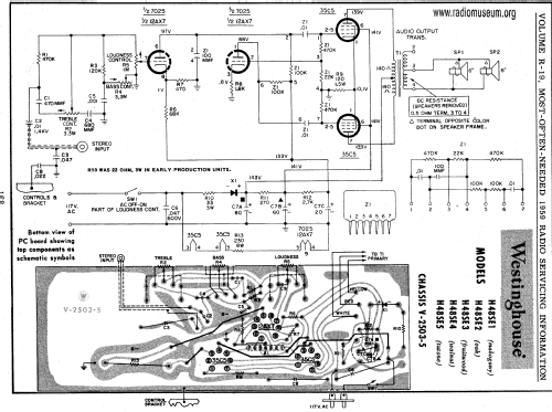
- The Westinghouse Model H-48SE5 is an AC operated 3 Tube Audio Amplifier.
- Circuit diagram reference
- Beitman Radio Diagrams Vol. 19, 1959
- Literature/Schematics (1)
- Photofact Folder, Howard W. SAMS (Date 6-59, Set 446, Folder 16)
- Author
- Model page created by Hinrich Grensemann † 15.5.16. See "Data change" for further contributors.
- Other Models
-
Here you find 3155 models, 1761 with images and 2671 with schematics for wireless sets etc. In French: TSF for Télégraphie sans fil.
All listed radios etc. from Westinghouse El. & Mfg. Co. - see also Canadian W.