H-104AC2B Ch= V-2538-2
Westinghouse El. & Mfg. Co. - see also Canadian W.
- Produttore / Marca
- Westinghouse El. & Mfg. Co. - see also Canadian W.
- Anno
- 1965
- Categoria
- Registratore audio/video e/o riproduttore
- Radiomuseum.org ID
- 216369
-
- alternative name: Westinghouse El. Int.
Clicca sulla miniatura dello schema per richiederlo come documento gratuito.
- Numero di tubi
- 2
- Principio generale
- Amplificatore audio
- Gamme d'onda
- - senza
- Particolarità
- Giradischi+AmplifBF+Altoparlant
- Tensioni di funzionamento
- Alimentazione a corrente alternata (CA) / 120 Volt
- Altoparlante
- AP magnetodinamico (magnete permanente e bobina mobile) / Ø 4 inch = 10.2 cm
- Materiali
- Pelle / stoffa / plastica ma con altro materiale sottostante
- Radiomuseum.org
- Modello: H-104AC2B Ch= V-2538-2 - Westinghouse El. & Mfg. Co. -
- Forma
- Soprammobile a cassapanca o cassetta, solitamente con coperchio (NON a leggio)
- Annotazioni
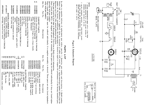
- The Westinghouse Model H-104AC2B is a portable AC Operated 2 Tube Mono Amplifier with 4 Speed Automatic Record Changer. Has Qty(1) PM 4" speaker. Cabinet color is Charcoal Blue. Uses Record Changer 670V034H03, with speeds of 16, 33, 45 and 78 RPM. Westinghouse models H-104AC1B and H-104AC6B use the same chassis and schematic.
- Letteratura / Schemi (1)
- - - Manufacturers Literature (Westinghouse Datasheet PH6071)
- Autore
- Modello inviato da John Kusching. Utilizzare "Proponi modifica" per inviare ulteriori dati.
- Altri modelli
-
In questo link sono elencati 3155 modelli, di cui 1761 con immagini e 2671 con schemi.
Elenco delle radio e altri apparecchi della Westinghouse El. & Mfg. Co. - see also Canadian W.