- Country
- United States of America (USA)
- Manufacturer / Brand
- Westinghouse El. & Mfg. Co. - see also Canadian W.
- Year
- 1949 ?
- Category
- Television Receiver (TV) or Monitor
- Radiomuseum.org ID
- 223598
-
- alternative name: Westinghouse El. Int.
Click on the schematic thumbnail to request the schematic as a free document.
- Number of Tubes
- 28
- Valves / Tubes
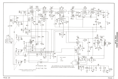
- 6BH6 6AG5 6C4 6AL5 6AT6 12AT7 6AQ5 6BJ6 6T8 12AX7 12AU7 6AC7 6BG6G 5V4 1B3GT 5U4 5V4G 5Z4GT 6BE6 6BA6 6AV6 5Y3GT 10BP4
- Main principle
- Superheterodyne (common)
- Wave bands
- VHF incl. FM and/or UHF (see notes for details)
- Power type and voltage
- Alternating Current supply (AC) / 105-125 Volt
- Loudspeaker
- Electro Magnetic Dynamic LS (moving-coil with field excitation coil) / Ø 9.5 inch = 24.1 cm
- Material
- Wooden case
- from Radiomuseum.org
- Model: H-196 - Westinghouse El. & Mfg. Co. -
- Shape
- Tablemodel, high profile (upright - NOT Cathedral nor decorative).
- Notes
- Channels 2 through 13 similar model with radio and phono equipted H-207 2 speakers with 9,5 inch
- Mentioned in
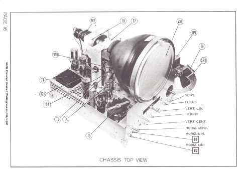
- Photofact Folder, Howard W. SAMS (Volume 7 Set #65 Folder 4913-17 07/49)
- Author
- Model page created by Friedrich Weber † 12.09.2014. See "Data change" for further contributors.
- Other Models
-
Here you find 3157 models, 1761 with images and 2673 with schematics for wireless sets etc. In French: TSF for Télégraphie sans fil.
All listed radios etc. from Westinghouse El. & Mfg. Co. - see also Canadian W.
Museums
The model can be seen in the following museums.