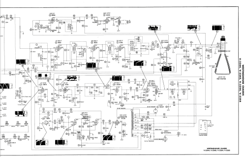
H-24K128 Ch= V2345-26
Westinghouse El. & Mfg. Co. - see also Canadian W.
- Produttore / Marca
- Westinghouse El. & Mfg. Co. - see also Canadian W.
- Anno
- 1956 ?
- Categoria
- Televisore (TV) / Monitor
- Radiomuseum.org ID
- 260762
-
- alternative name: Westinghouse El. Int.
Clicca sulla miniatura dello schema per richiederlo come documento gratuito.
- Numero di tubi
- 16
- Valvole
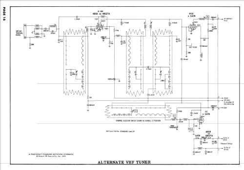
- 4BS8 or 4BQ7A 5AT8 3BZ6 3BZ6 3CB6 6AU8 5BT8 or 5AN8 3BN6 5AQ5 3CS6 or 3BY6 12B4A 7AU7 or 6AU7 12BQ6GTB or 12CU6 12AX4GTA 1B3GT 24DP4A
- Principio generale
- Supereterodina con stadio RF
- Gamme d'onda
- VHF/UHF (ved. i dettagli nelle note)
- Tensioni di funzionamento
- Alimentazione a corrente alternata (CA) / 60 cycles, 110-120 Volt
- Altoparlante
- AP magnetodinamico (magnete permanente e bobina mobile) / Ø 6 inch = 15.2 cm
- Radiomuseum.org
- Modello: H-24K128 Ch= V2345-26 - Westinghouse El. & Mfg. Co. -
- Forma
- Soprammobile con qualsiasi forma (non saputo).
- Annotazioni
-
The Westinghouse H-24K128 is a 24" b/w TV with US standard VHF Tuner channels 2 thru 13, 14 thru 83 UHF. Equipped with chassis V-2345-26 and picture tube 24DP4A.
- Letteratura / Schemi (1)
- Photofact Folder, Howard W. SAMS (Set 350 Folder 17 date 3 - 57)
- Autore
- Modello inviato da Dirk Taekels. Utilizzare "Proponi modifica" per inviare ulteriori dati.
- Altri modelli
-
In questo link sono elencati 3157 modelli, di cui 1761 con immagini e 2673 con schemi.
Elenco delle radio e altri apparecchi della Westinghouse El. & Mfg. Co. - see also Canadian W.