H-24KU125 Ch= V-2355-204
Westinghouse El. & Mfg. Co. - see also Canadian W.
- Country
- United States of America (USA)
- Manufacturer / Brand
- Westinghouse El. & Mfg. Co. - see also Canadian W.
- Year
- 1956 ?
- Category
- Television Receiver (TV) or Monitor
- Radiomuseum.org ID
- 261049
-
- alternative name: Westinghouse El. Int.
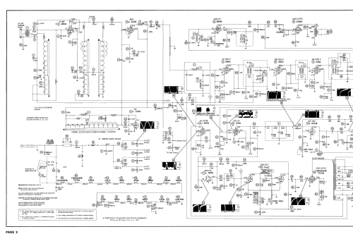
Click on the schematic thumbnail to request the schematic as a free document.
- Number of Tubes
- 17
- Valves / Tubes
- 5BK7A 2AF4A 5U8 3BZ6 3BZ6 3CB6 6AU8 5BT8 or 5AN8 3BN6 5AQ5 3CS6 or 3BY6 12B4A 7AU7 or 6AU7 12BQ6GTB or 12CU6 12AX4GTA 1B3GT 24DP4A
- Main principle
- Superhet with RF-stage
- Wave bands
- VHF incl. FM and/or UHF (see notes for details)
- Power type and voltage
- Alternating Current supply (AC) / 60 cycles, 110-120 Volt
- Loudspeaker
- Permanent Magnet Dynamic (PDyn) Loudspeaker (moving coil)
- from Radiomuseum.org
- Model: H-24KU125 Ch= V-2355-204 - Westinghouse El. & Mfg. Co. -
- Shape
- Console with any shape - in general
- Notes
-
The Westinghouse H-24KU125 is a 24" b/w TV with US standard VHF Tuner channels 2 thru 13, 14 thru 83 UHF. Equipped with chassis V-2355-204 and picture tube 24DP4A.
- Literature/Schematics (1)
- Photofact Folder, Howard W. SAMS (Set 350 Folder 17 date 3 - 57)
- Author
- Model page created by Dirk Taekels. See "Data change" for further contributors.
- Other Models
-
Here you find 3157 models, 1761 with images and 2673 with schematics for wireless sets etc. In French: TSF for Télégraphie sans fil.
All listed radios etc. from Westinghouse El. & Mfg. Co. - see also Canadian W.